Curiosii for ever!
: Car repair manuals for everyone.
Home
>>
Subaru
>>
2011
>>
Impreza WRX F4-2.5L DOHC Turbo
>>
Repair and Diagnosis
>>
Powertrain Management
>>
Computers and Control Systems
>>
Testing and Inspection
>>
Symptom Related Diagnostic Procedures
>>
Diagnostics For Engine Starting Failure
>>
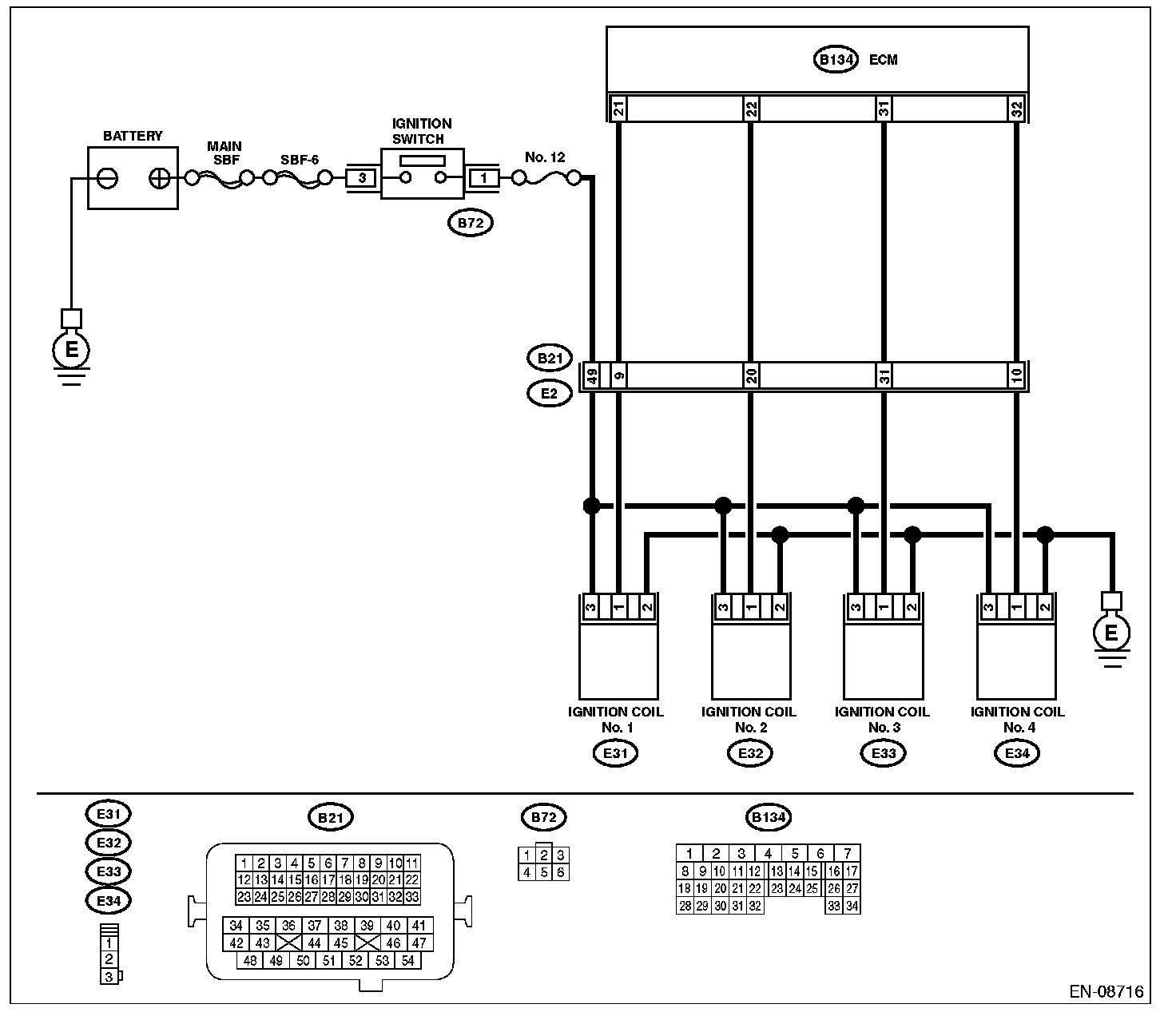
Ignition Control System
Ignition Control System
IGNITION CONTROL SYSTEM
CAUTION: After servicing or replacing faulty parts, perform Clear Memory Mode
Clear Memory Mode
, and Inspection Mode
Preparation For the Inspection Mode
.
WIRING DIAGRAM: