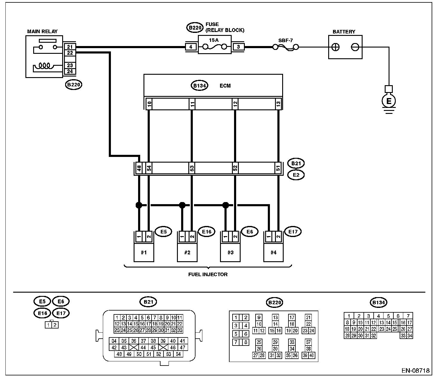
Fuel Injector Circuit
FUEL INJECTOR CIRCUITCAUTION:
- Check or repair only faulty parts.
- After servicing or replacing faulty parts, perform Clear Memory Mode Clear Memory Mode, and Inspection Mode Preparation For the Inspection Mode.
WIRING DIAGRAM: