Curiosii for ever!
: Car repair manuals for everyone.
Home
>>
Subaru
>>
2011
>>
Impreza WRX F4-2.5L DOHC Turbo
>>
Repair and Diagnosis
>>
Diagrams
>>
Exploded Views
>>
Alternator
Alternator
General Description
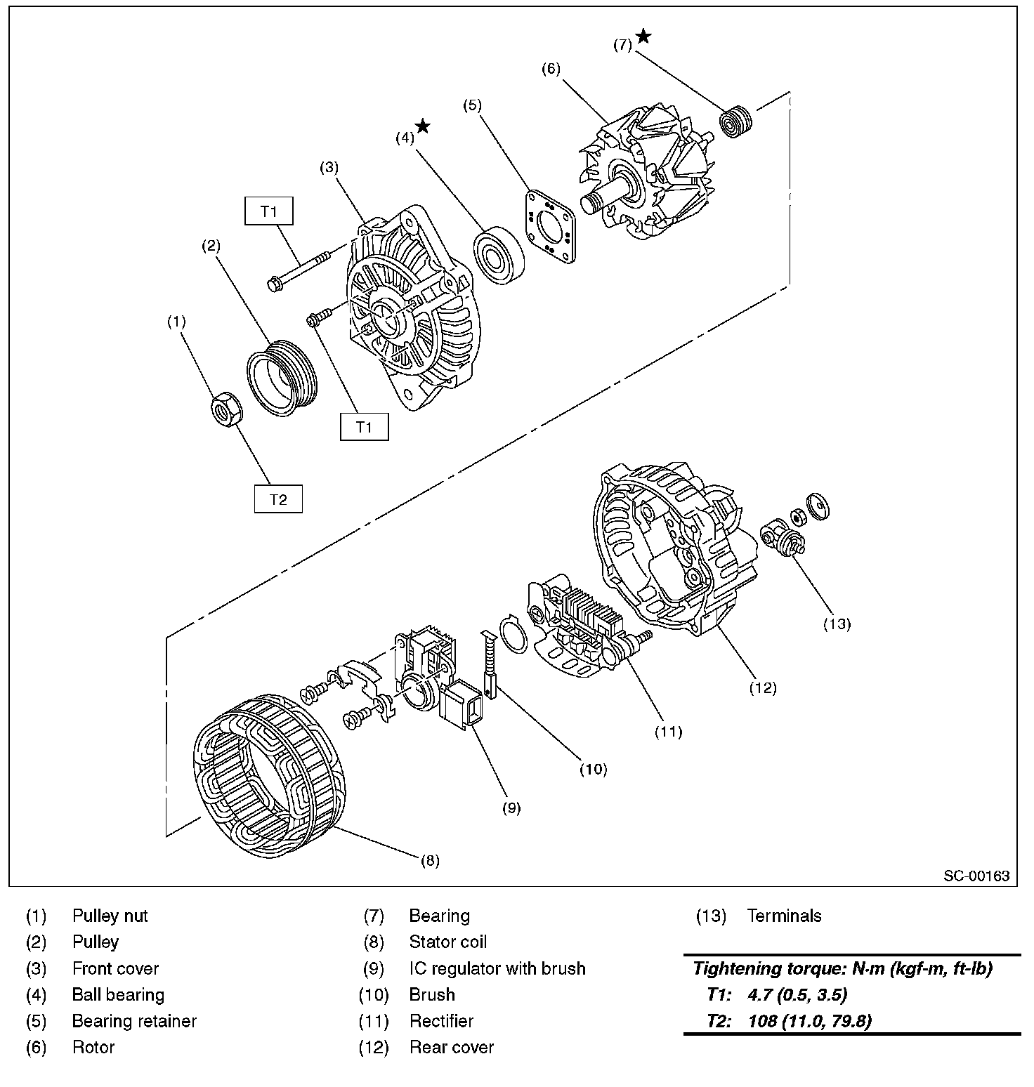
COMPONENT
GENERATOR
GENERATOR BRACKET