Curiosii for ever!: Car repair manuals for everyone.

Clutch Switch: Service and Repair

Clutch Switch

REMOVAL

1) Disconnect the ground cable from battery.
2) Remove the instrument panel lower cover.
3) Disconnect the connector of clutch switch.
4) Remove the clutch switches.

INSTALLATION

CLUTCH SWITCH

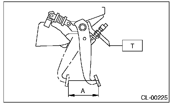
1) Move the clevis pin of push rod to left and right, retain it at the position where it moves smoothly, and measure the clutch pedal stroke.

Clutch pedal full stroke A:
130 - 135 mm (5.12 - 5.31 in)

Tightening torque:
T: 8 Nm (0.8 kgf-m, 5.9 ft-lb)





2) If the clutch pedal stroke is out of specification, adjust the stroke.
3) Connect the clutch switch connector.

CLUTCH START SWITCH

1) Fully depress the clutch pedal and hold it.
2) Install the clutch pedal plate and clutch switch so that the gap between them is 3 - 3.5 mm (0.12 - 0.14 in), and then tighten the lock nut.

Tightening torque:
8 Nm (0.8 kgf-m, 5.9 ft-lb)





3) Connect the clutch switch connector.
4) Make sure that engine does not start with clutch pedal not depressed.
5) Make sure that engine starts with clutch pedal fully depressed.

INSPECTION

CLUTCH START SWITCH

1) Inspect the following items, and if the operation is not normal, adjust the clutch start switch and inspect again.
^ Make sure that engine does not start with clutch pedal not depressed.
^ Make sure that engine starts with clutch pedal fully depressed.
2) If the operation is not normal even after adjusting the clutch start switch, check the continuity of the clutch start switch.
(1) Remove the clutch start switch.
(2) Measure the resistance between terminal 1 and 2 of the switch. If the resistance is not at the standard value, replace the switch.








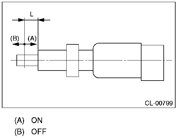
(3) Check that the switch changes between ON/OFF within L dimension.

L dimension:
4 - 5.5 mm (0.16 - 0.22 in)





CLUTCH SWITCH

1) Check the clutch switch for continuity.
(1) Disconnect the connector of clutch switch.
(2) Measure the resistance between terminal 1 and 2 of the switch. If the resistance is not within the specification, inspect the clutch stroke and its installing condition, and check again.








2) If the operation is not normal even when the clutch stroke and its installing condition is normal, check the continuity of the clutch switch.
(1) Remove the clutch switches.
(2) Measure the resistance between terminal 1 and 2 of the switch. If the resistance is not at the standard value, replace the switch.








(3) Check that the switch changes between ON/OFF within L dimension.

L dimension:
5 - 6.5 mm (0.2 - 0.26 in)





ADJUSTMENT

1) Loosen the lock nut of clutch start switch.





2) Fully depress the clutch pedal and hold it.
3) Adjust the gap of the clutch pedal plate and the clutch switch to be 3 - 3.5 mm (0.12 - 0.14 in).





4) Tighten the lock nut.

Tightening torque:
8 Nm (0.8 kgf-m, 5.9 ft-lb)