Curiosii for ever!: Car repair manuals for everyone.

Oil Level Sensor: Service and Repair

Oil Level Switch

REMOVAL
1) Disconnect the ground cable from battery.





2) Lift up the vehicle.
3) Remove the under cover.
4) Drain the engine oil.
5) Disconnect the connector of oil level switch from the engine harness.





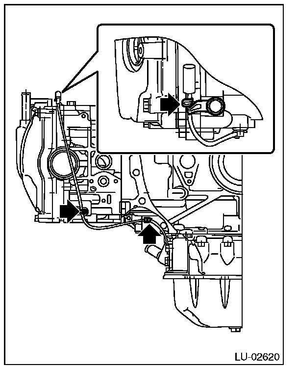
6) Remove the clip holding the oil level switch harness.
^ Turbo model





^ 2.5 L non-turbo model





7) Remove the oil level switch from cylinder block lower.





INSTALLATION
1) Install the oil level switch to cylinder block lower.





2) Hold the oil level switch harness with clip.
^ Turbo model





^ 2.5 L non-turbo model





3) Connect the connector of oil level switch to the engine harness.





4) Install the under cover.
5) Lower the vehicle.
6) Refill the engine oil.
7) Check the engine oil level.
8) Connect the ground cable to battery.