Curiosii for ever!: Car repair manuals for everyone.

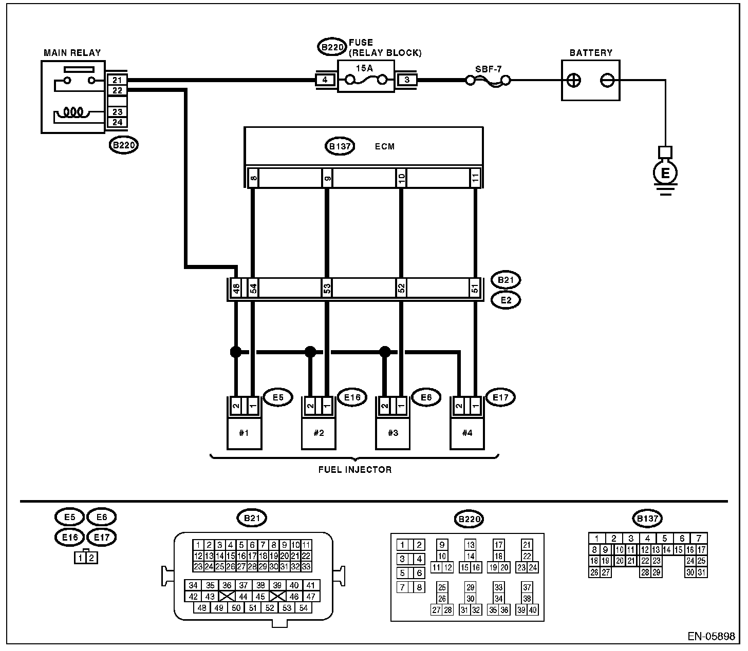
Fuel Injector Circuit

FUEL INJECTOR CIRCUIT

CAUTION:
- Check or repair only faulty parts.
- After servicing or replacing faulty parts, perform Clear Memory Mode Clear Memory Mode and Inspection Mode.
Preparation For the Inspection Mode

WIRING DIAGRAM:






Step 1:




Step 2-6: