Curiosii for ever!
: Car repair manuals for everyone.
Home
>>
Subaru
>>
2010
>>
Impreza F4-2.5L SOHC
>>
Repair and Diagnosis
>>
Powertrain Management
>>
Transmission Control Systems
>>
Testing and Inspection
>>
Component Tests and General Diagnostics
>>
Communication for Initializing Impossible
Communication for Initializing Impossible
COMMUNICATION FOR INITIALIZING IMPOSSIBLE
DIAGNOSIS:
Defective harness connector
TROUBLE SYMPTOM:
Subaru Select Monitor communication failure
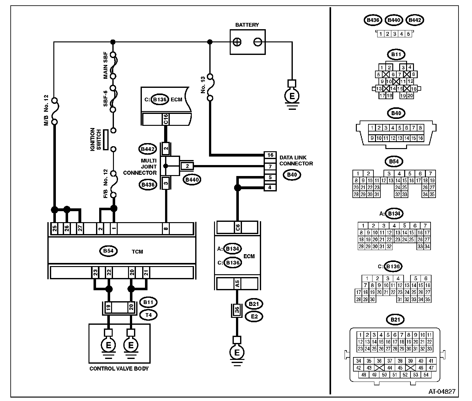
WIRING DIAGRAM:
Step 1-Step 8:
Step 9-Step 16:
Step 17-Step 20: