Curiosii for ever!
: Car repair manuals for everyone.
Home
>>
Subaru
>>
2009
>>
Impreza WRX STI F4-2.5L DOHC Turbo
>>
Repair and Diagnosis
>>
Powertrain Management
>>
Computers and Control Systems
>>
Testing and Inspection
>>
Symptom Related Diagnostic Procedures
>>
Diagnostics For Engine Starting Failure
>>
Ignition Control System
Ignition Control System
IGNITION CONTROL SYSTEM
CAUTION: After servicing or replacing faulty parts, perform Clear Memory Mode
Clear Memory Mode
and Inspection Mode
Preparation For the Inspection Mode
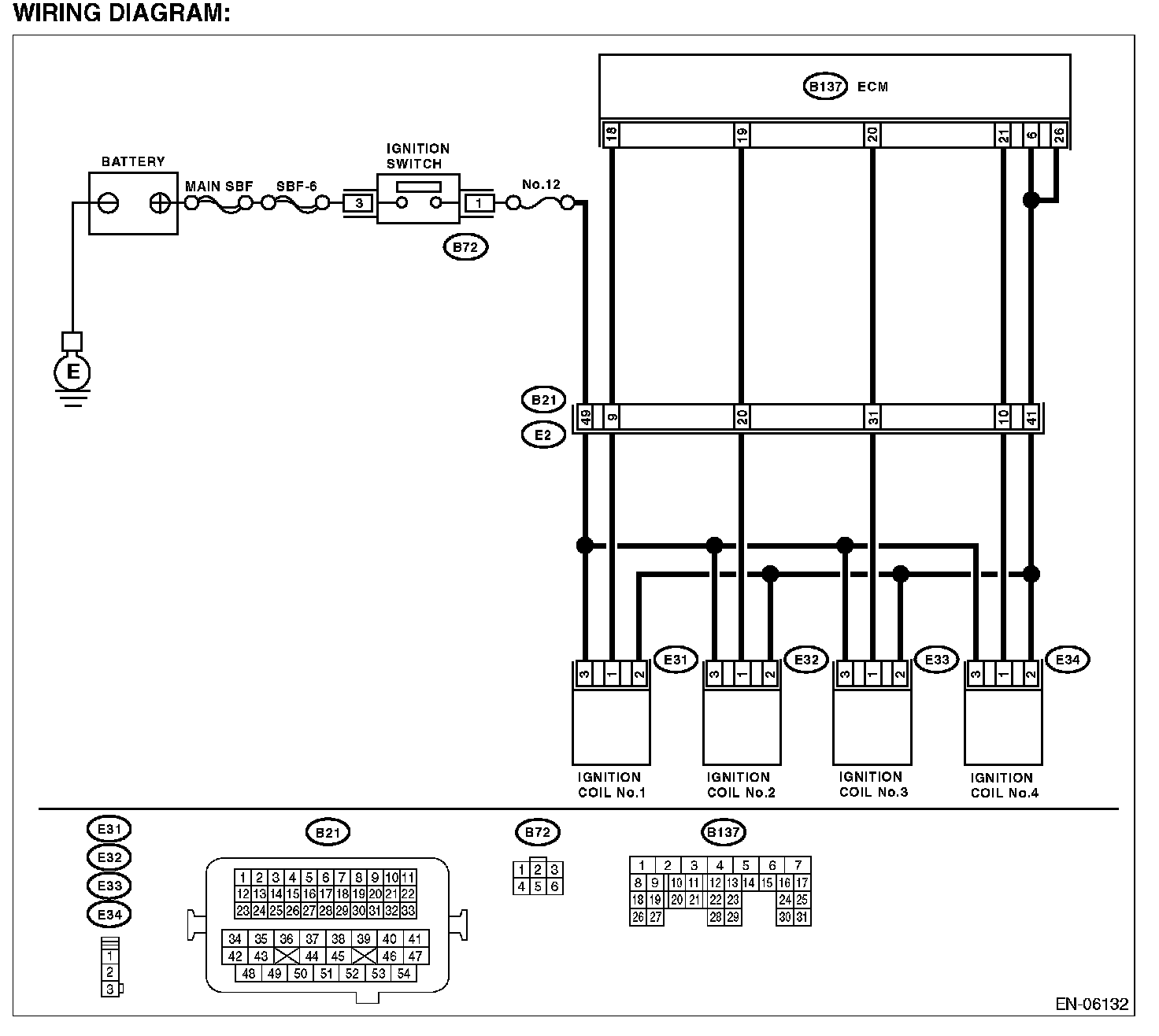
WIRING DIAGRAM:
Wiring Diagram:
Step 1-5:
Step 6-7: