Curiosii for ever!
: Car repair manuals for everyone.
Home
>>
Subaru
>>
2009
>>
Impreza WRX STI F4-2.5L DOHC Turbo
>>
Repair and Diagnosis
>>
Powertrain Management
>>
Computers and Control Systems
>>
Sensors and Switches - Computers and Control Systems
>>
Coolant Temperature Sensor/Switch (For Computer)
>>
Locations
Coolant Temperature Sensor/Switch (For Computer): Locations
Sensor (Part 1):
Sensor (Part 2):
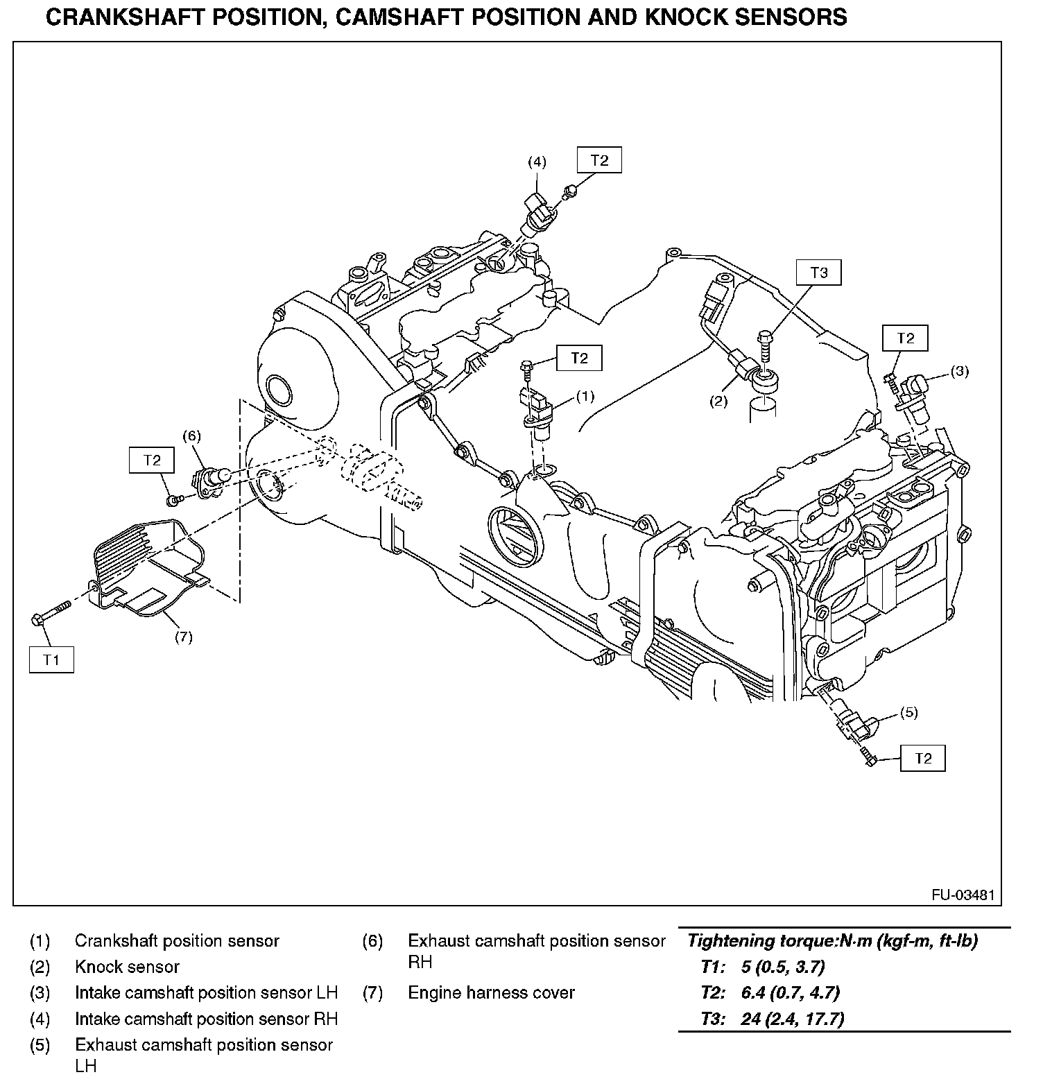
Crankshaft Position, Camshaft Position And Knock Sensors: