Curiosii for ever!: Car repair manuals for everyone.

Engine Control Module: Testing and Inspection

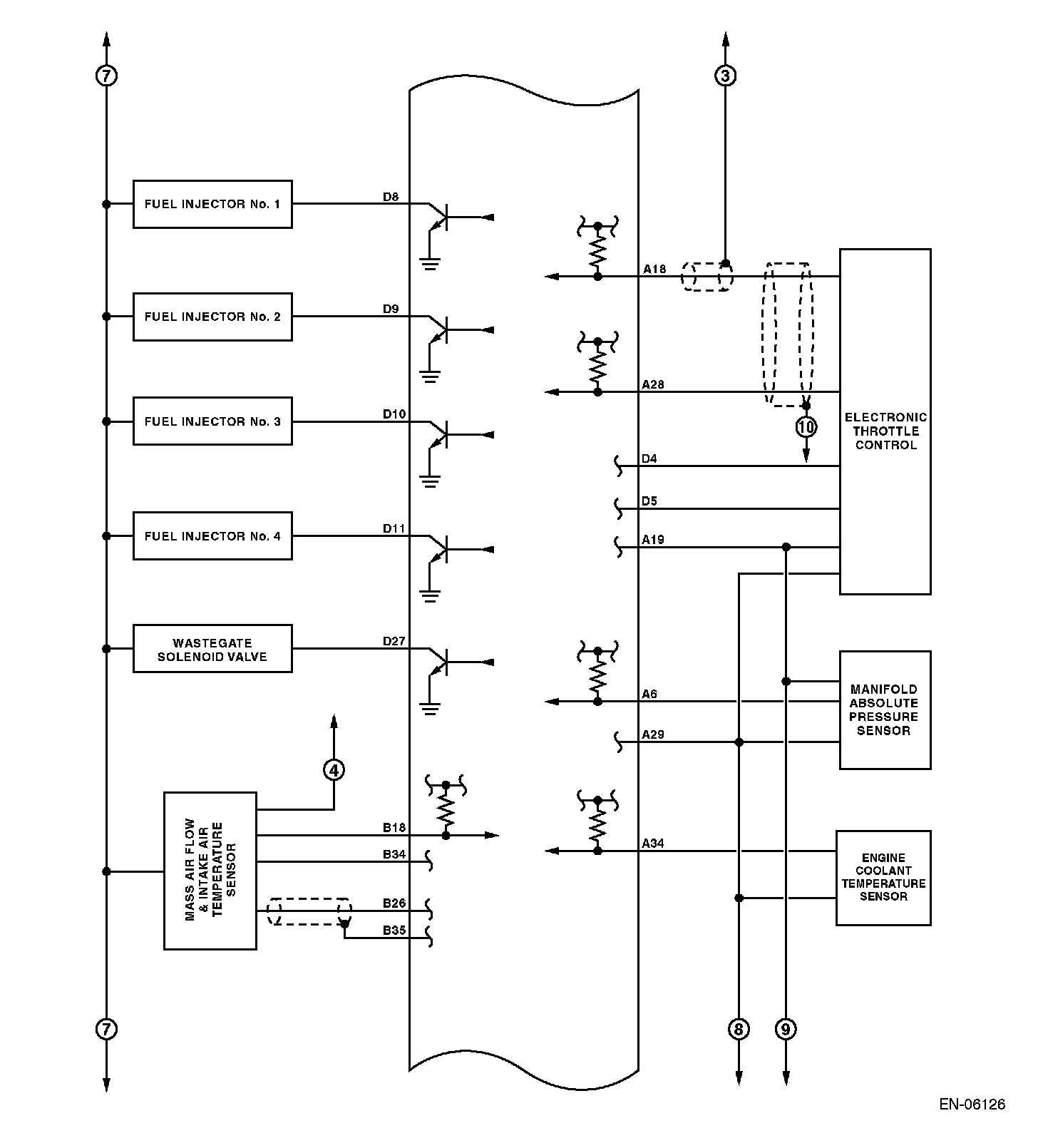
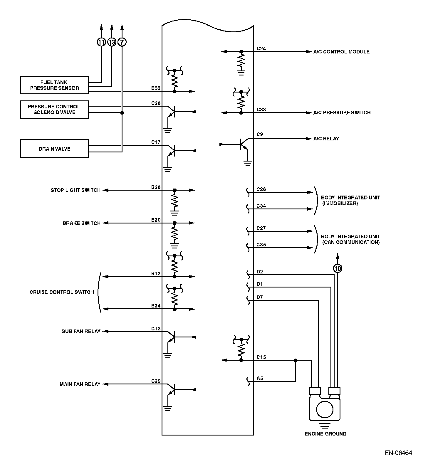
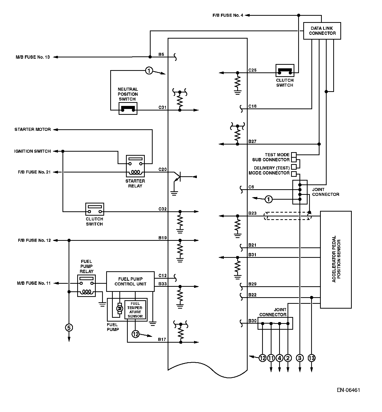
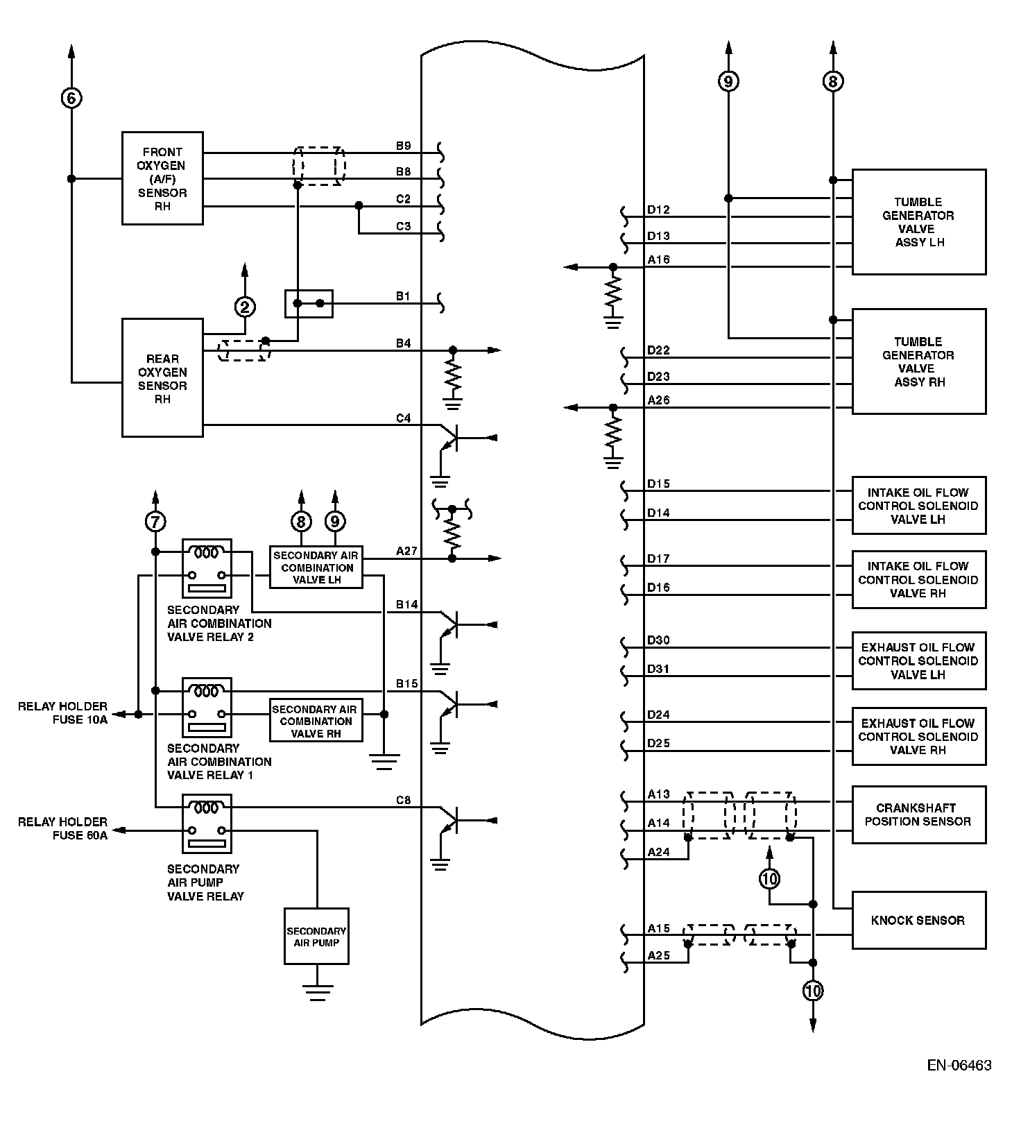
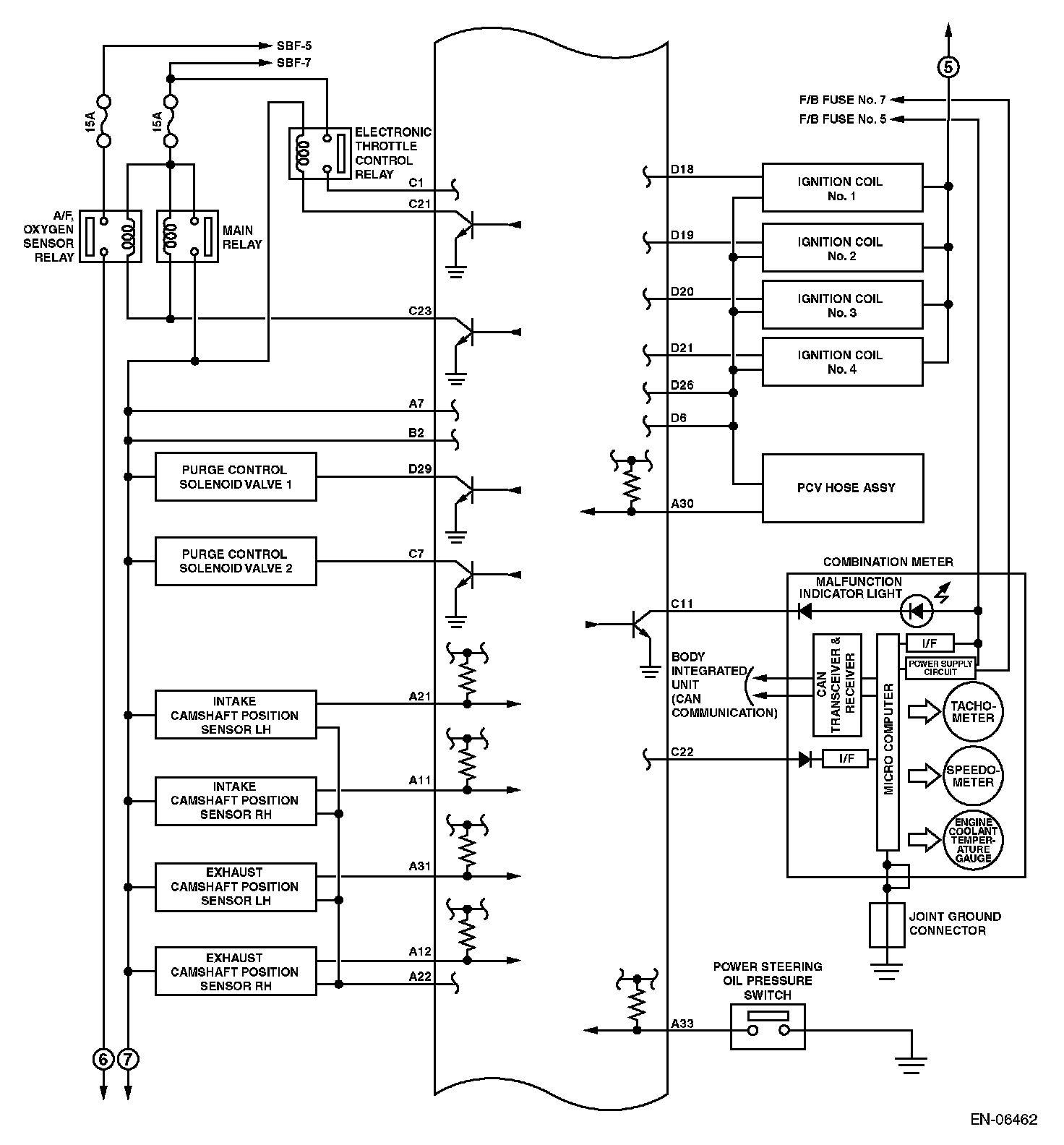
Engine Control Module (ECM) I/O Signal-Electrical Specification (Part 1):



Engine Control Module (ECM) I/O Signal-Electrical Specification (Part 2):



Engine Control Module (ECM) I/O Signal-Electrical Specification (Part 3):



Engine Control Module (ECM) I/O Signal-Electrical Specification (Part 4):



Engine Control Module (ECM) I/O Signal-Electrical Specification (Part 5):



Engine Control Module (ECM) I/O Signal-Electrical Specification (Part 6):



Engine Control Module (ECM) I/O Signal-Electrical Specification (Part 7):



Engine Control Module (ECM) I/O Signal-Electrical Specification (Part 8):



Engine Control Module (ECM) I/O Signal-Electrical Specification (Part 9):



Engine Control Module (ECM) I/O Signal-Electrical Specification (Part 10):