Curiosii for ever!: Car repair manuals for everyone.

Electronic Throttle Actuator Relay: Testing and Inspection

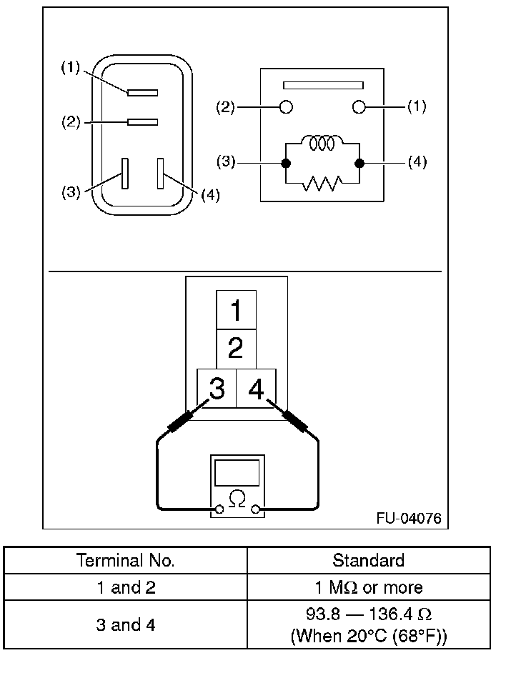
Electronic Throttle Control Relay

INSPECTION

1. Measure the resistance between electronic throttle control relay terminals.






2. Connect the battery positive terminal to terminal No.3 and the battery ground terminal to terminal No.4, and measure the resistance between the electronic throttle control relay terminals.