Curiosii for ever!: Car repair manuals for everyone.

System Specifications

Cylinder head

Warping limit 0.035 mm (0.0014 in)
Grinding limit 0.3 mm (0.012 in)
Standard height of cylinder head 127.5 mm (5.02 in)

Tighten all bolts 29 Nm (3.0 kgf-m, 21.4 ft-lb)
Retighten all bolts 69 Nm (7.0 kgf-m, 50.9 ft-lb)
In the reverse order of installing
Loosen all the bolts 180°
loosen further 180°
Tighten all bolts 49 Nm (5.0 kgf-m, 36.1 ft-lb)
Tighten all bolts 80 to 90°
Tighten all bolts 40 to 45°
Tighten bolts (A) and (B) further 40 - 45°





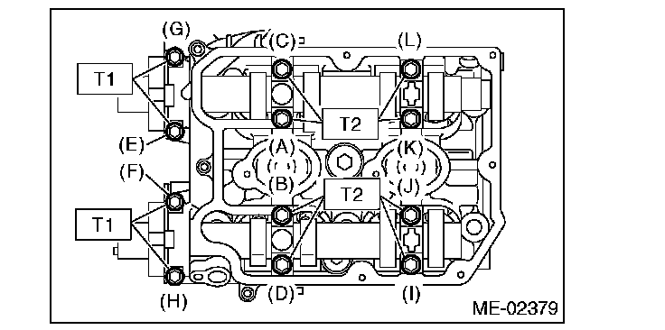
Camshaft cap
T1 9.75 Nm (1.0 kgf-m, 7.2 ft-lb)
T2 20 Nm (2.0 kgf-m, 14.8 ft-lb)
Tighten in at least two steps





Cam sprockets
Torque 30 Nm (3.1 kgf-m, 22.1 ft-lb)
Tighten further 45°

Exhaust manifold 40 Nm (4.1 kgf-m, 29.5 ft lb)