Curiosii for ever!
: Car repair manuals for everyone.
Home
>>
Subaru
>>
2009
>>
Impreza WRX F4-2.5L DOHC Turbo
>>
Repair and Diagnosis
>>
Powertrain Management
>>
Computers and Control Systems
>>
Testing and Inspection
>>
Symptom Related Diagnostic Procedures
>>
Diagnostics For Engine Starting Failure
>>
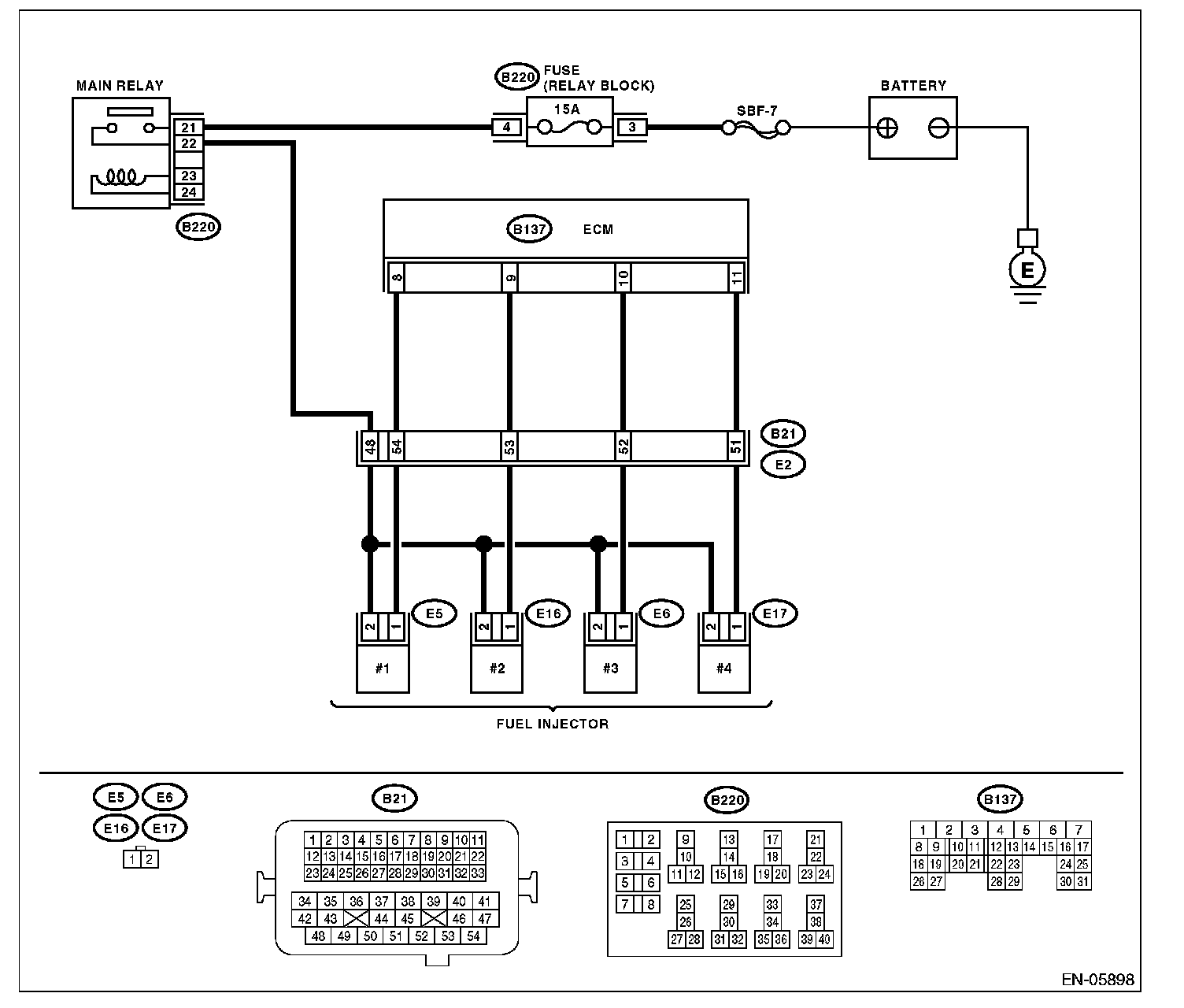
Fuel Injector Circuit
Fuel Injector Circuit
FUEL INJECTOR
CIRCUIT
CAUTION:
-
Check or repair only faulty parts.
-
After servicing or replacing faulty parts, perform Clear Memory Mode.
Clear Memory Mode
Inspection Mode.
Preparation For the Inspection Mode
WIRING DIAGRAM:
Wiring Diagram:
Step 1-6: