Curiosii for ever!: Car repair manuals for everyone.

Check Power Supply and Ground Line of Engine Control Module (ECM)

CHECK POWER SUPPLY AND GROUND LINE OF ENGINE CONTROL MODULE (ECM)

CAUTION: After servicing or replacing faulty parts, perform Clear Memory Mode. Clear Memory Mode Inspection Mode. Preparation For the Inspection Mode

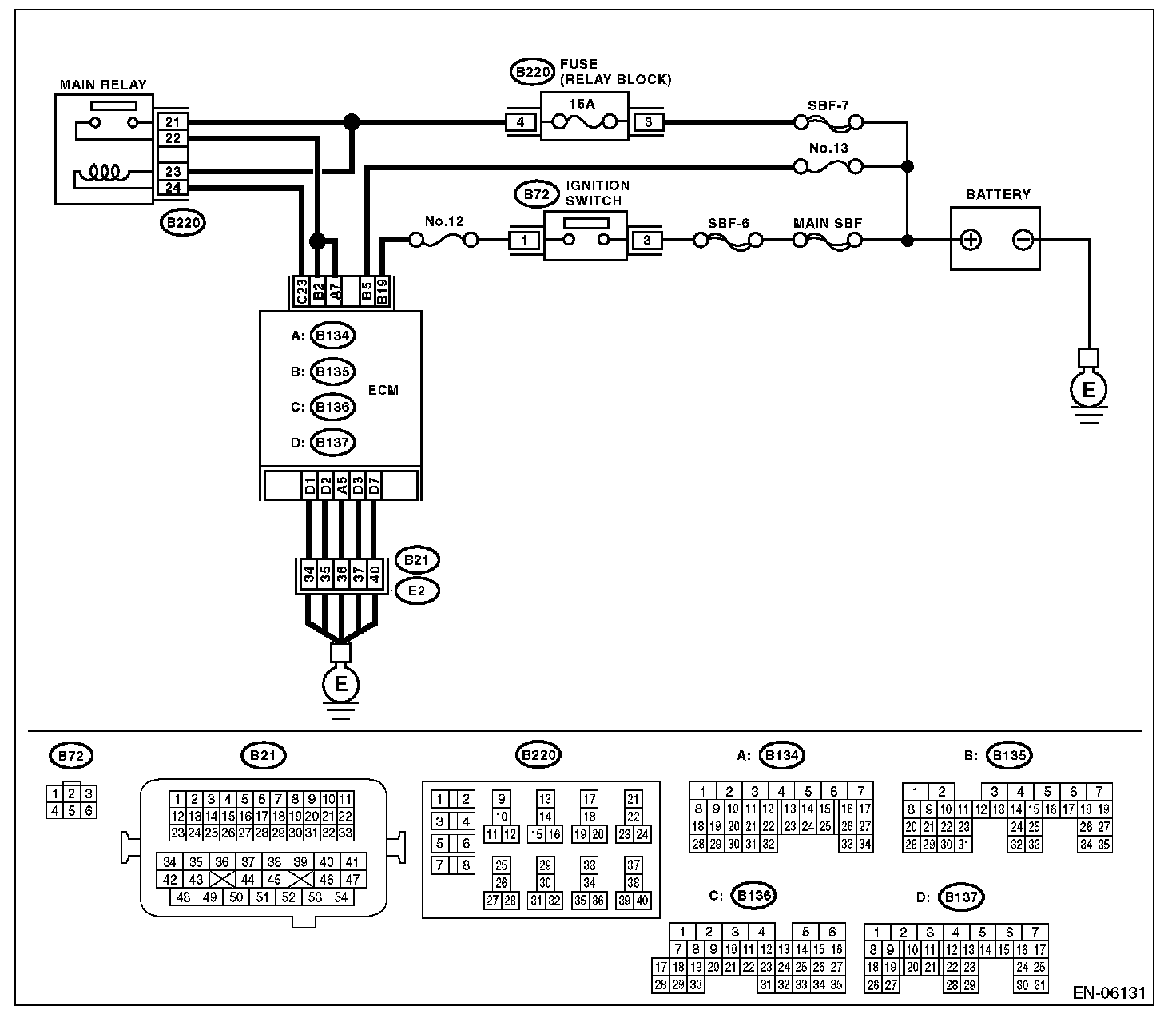
WIRING DIAGRAM:

Wiring Diagram:






Step 1-6: