Engine Control Module: Testing and Inspection
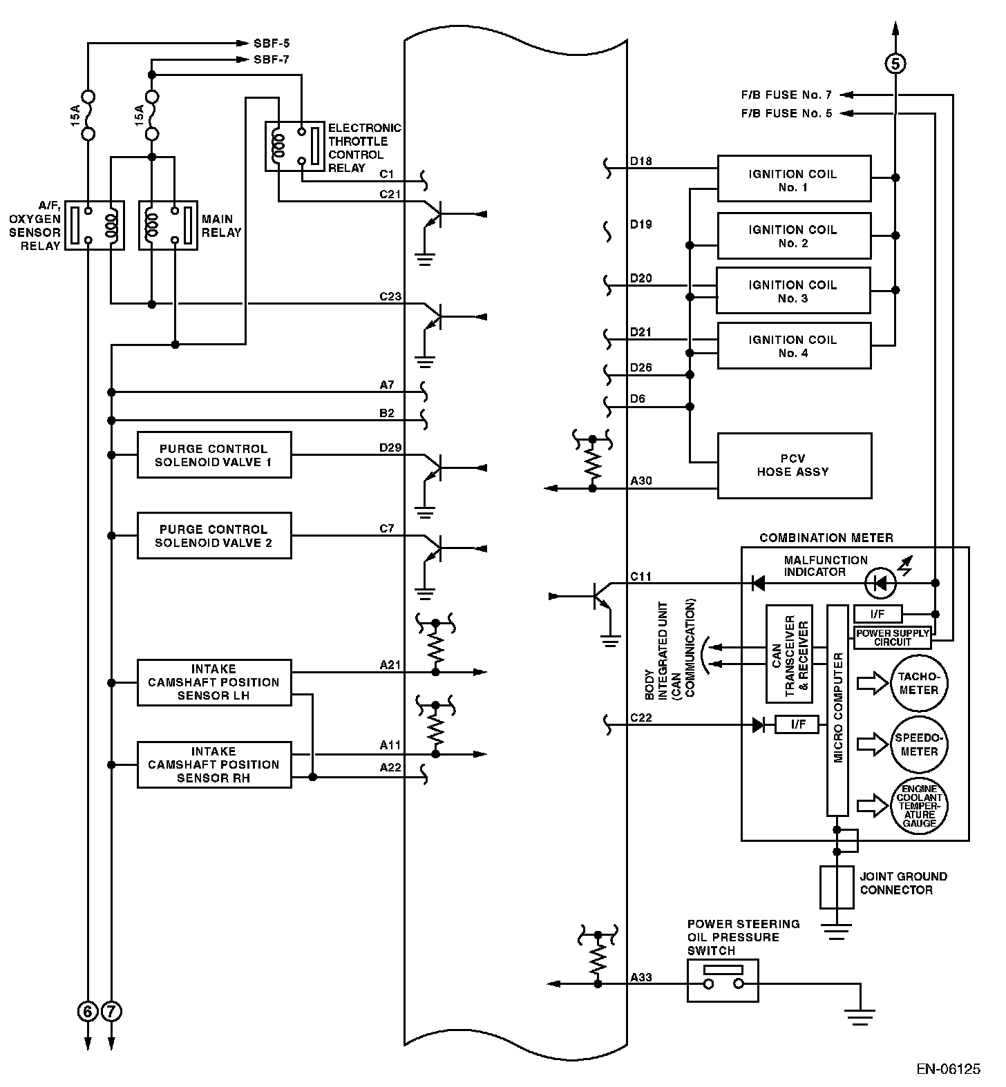
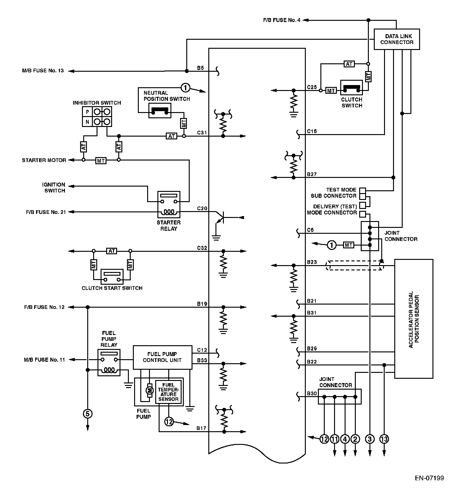
Engine Control Module (ECM) I/O Signal (Part 1):
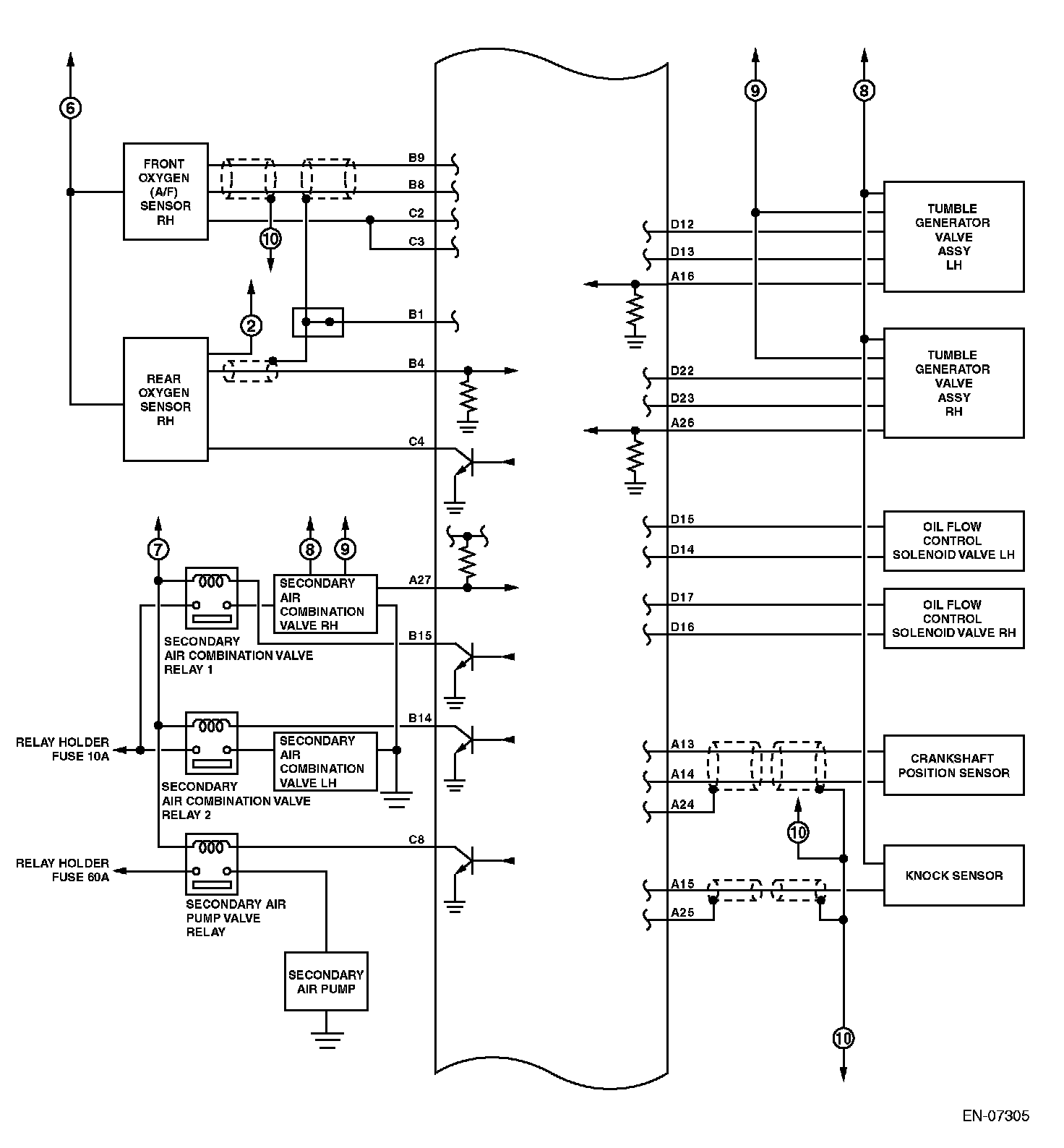
Engine Control Module (ECM) I/O Signal (Part 2):
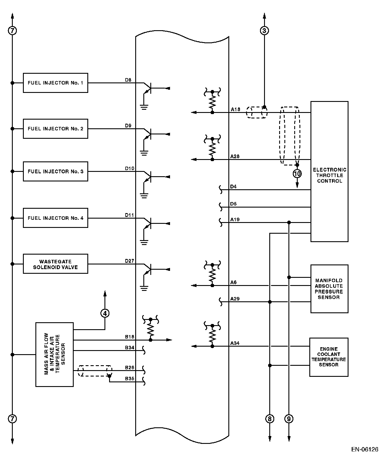
Engine Control Module (ECM) I/O Signal (Part 3):
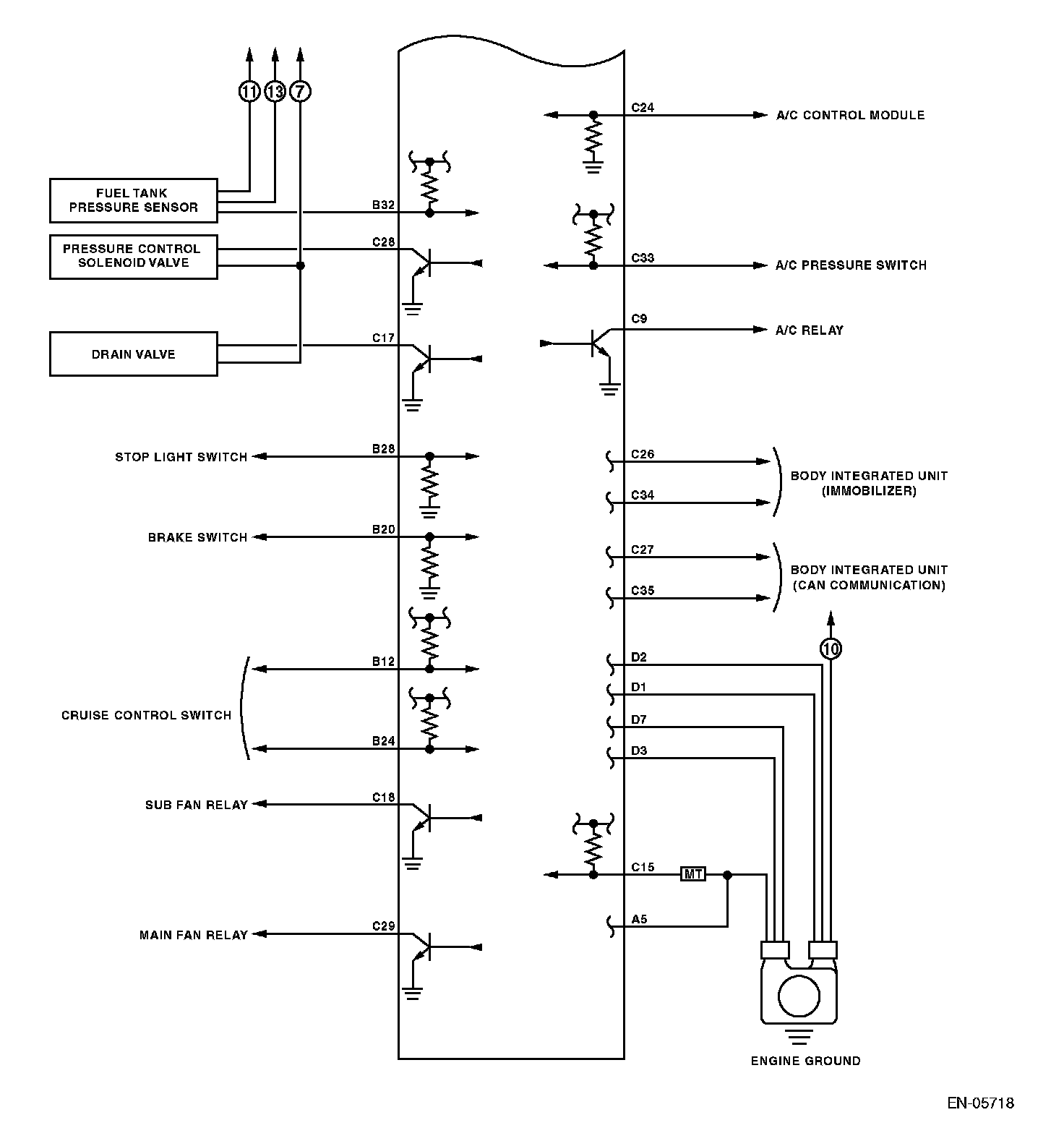
Engine Control Module (ECM) I/O Signal (Part 4):
Engine Control Module (ECM) I/O Signal (Part 5):
Engine Control Module (ECM) I/O Signal (Part 6):
Engine Control Module (ECM) I/O Signal (Part 7):
Engine Control Module (ECM) I/O Signal (Part 8):
Engine Control Module (ECM) I/O Signal (Part 9):
Engine Control Module (ECM) I/O Signal (Part 10):
Engine Control Module (ECM) I/O Signal (Part 11):