Curiosii for ever!: Car repair manuals for everyone.

Data Link Connector: Locations

Control Module:



Sensor (Part 1):



Sensor (Part 2):



Sensor (Part 3):



Sensor (Part 4):



Solenoid Valve, Actuator, Emission Control System Parts And Ignition System Parts (Part 1):



Solenoid Valve, Actuator, Emission Control System Parts And Ignition System Parts (Part 2):



Solenoid Valve, Actuator, Emission Control System Parts And Ignition System Parts (Part 3):



Solenoid Valve, Actuator, Emission Control System Parts And Ignition System Parts (Part 4):



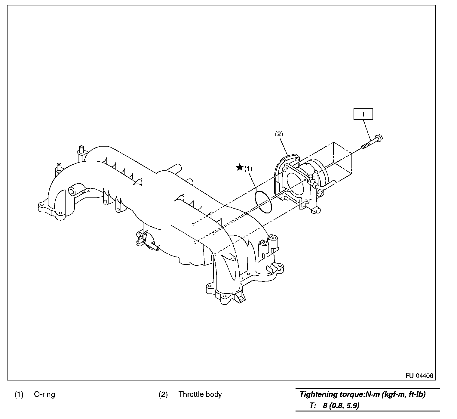
Air Intake System:



Crankshaft Position, Camshaft Position And Knock Sensors: