Curiosii for ever!: Car repair manuals for everyone.

Air Flow Meter/Sensor: Testing and Inspection

Mass Air Flow and Intake Air Temperature Sensor

INSPECTION

1. CHECK THE MASS AIR FLOW SENSOR UNIT
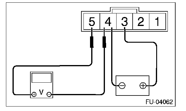
1. Disconnect the ground cable from battery.






2. Remove the mass air flow and intake air temperature sensor.
3. Connect terminal No. 3 to the battery positive terminal and terminal No. 4 to the battery ground terminal, terminal No. 5 to the circuit tester positive terminal and No. 4 to the circuit tester ground terminal.






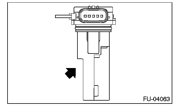
4. Check the voltage changes when air is blown to the mass air flow sensor unit in arrow direction.






2. CHECK THE INTAKE AIR TEMPERATURE SENSOR UNIT
Measure the resistance between intake air temperature sensor terminals.






3. OTHER INSPECTIONS
Check the mass air flow and intake air temperature sensor for damage or dirt.