Curiosii for ever!: Car repair manuals for everyone.

Clutch Switch: Service and Repair

Clutch Switch

REMOVAL

1) Disconnect the ground cable from battery.
2) Remove the instrument panel lower cover.
3) Disconnect the connector of clutch switch.
4) Remove the clutch switches.

INSTALLATION

CLUTCH SWITCH (CRUISE CONTROL)

1) Move the clevis pin of push rod to left and right, retain it at the position where it moves smoothly, and measure the clutch pedal stroke.

Clutch pedal full stroke A:
130 - 135 mm (5.12 - 5.31 in)

Tightening torque:
T: 8 N-m (0.8 kgf-m, 5.9 ft-lb)





2) If the clutch pedal stroke is out of specification, adjust the stroke.
3) Connect the clutch switch connector.

CLUTCH SWITCH (CLUTCH START)

1) Fully depress the clutch and hold it.
2) Install the clutch pedal plate and clutch switch so that the gap between them is 3.1 - 4.1 mm (0.12 - 0.16 in), and then tighten the lock nut.

Tightening torque:
8 N-m (0.8 kgf-m, 5.9 ft-lb)





3) Connect the clutch switch connector.
4) Make sure that engine does not start with clutch pedal not depressed.
5) Make sure that engine starts with clutch pedal fully depressed.

INSPECTION

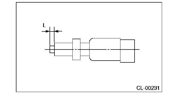
1) If the clutch switch (cruise control) does not operate properly (or if it does not stop at the specified position), replace it with a new part.

Specified position L:
2 + 1.5 mm (0.079 + 0.059 in)





2) Check the clutch switch for continuity. If the resistance is not at the standard value, replace the switch.

1) Disconnect the clutch switch connector.
2) Measure the resistance between terminal 1 and 2 of the switch.

^ Clutch switch (Cruise control)








^ Clutch switch (Clutch start)








3) Make sure that engine does not start with clutch pedal not depressed. If the engine starts, adjust the clutch switch and inspect the clutch start circuit.
4) Make sure that engine starts with clutch pedal fully depressed. If the engine does not start, adjust the clutch switch and inspect the clutch start circuit.

ADJUSTMENT

1) Loosen the lock nut of clutch switch (clutch start).





2) Fully depress the clutch and hold it.
3) Adjust the gap of the clutch pedal plate and the clutch switch to be 3.1 - 4.1 mm (0.12 - 0.16 in).





4) Tighten the lock nut.

Tightening torque:
8 N-m (0.8 kgf-m, 5.9 ft-lb)