Curiosii for ever!: Car repair manuals for everyone.

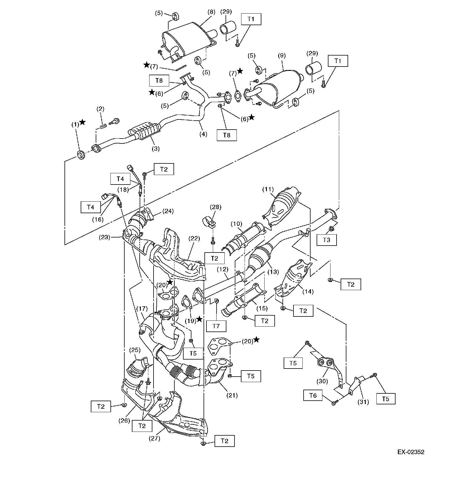
Front Catalytic Converter

Front Catalytic Converter

REMOVAL
The front catalytic converter is integrated into tine front exhaust pipe; there fore, refer to "Front Exhaust Pipe" for tine removal procedure.

INSTALLATION
The front catalytic converter is integrated into the front exhaust pipe; therefore, refer to "Front Exhaust Pipe" for the installation procedure.