Curiosii for ever!: Car repair manuals for everyone.

P0607

DTC P0607 THROTTLE CONTROL SYSTEM CIRCUIT RANGE/PERFORMANCE

1. OUTLINE OF DIAGNOSIS
Judge as NG when any one of the followings is established.

1. When the read value of throttle position sensor 1 signal is mismatched between main CPU and sub CPU.
2. When the read value of accelerator pedal position sensor 1 signal is mismatched between main CPU and sub CPU.
3. When the sub CPU operates abnormally.
4. When the communication between main CPU [- -] sub CPU is abnormal.
5. When the input amplifier circuit of throttle position sensor 1 is abnormal.
6. When the cruise control cannot be canceled correctly.
7. When the signal of brake SW1 and 2 is mismatched.

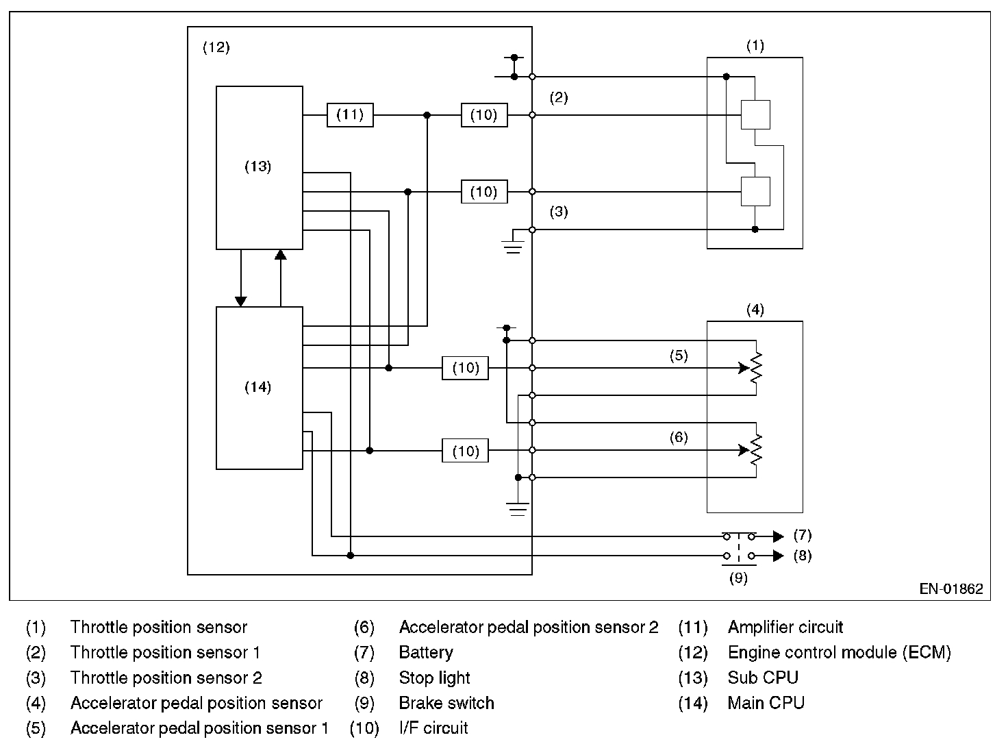
2. COMPONENT DESCRIPTION

Component Description:






3. ENABLE CONDITION

Enable Condition:






4. GENERAL DRIVING CYCLE

(1) -- 4: Always perform the diagnosis continuously.
(5) : Always perform the diagnosis continuously when idling.
(6) : Perform the diagnosis when the brake pedal is depressed.
(7) : Always perform the diagnosis continuously.
(8) : Always perform the diagnosis continuously when the cruise control pedal is not operating.

5. DIAGNOSTIC METHOD
Judge as OK and clear the NG when the malfunction criteria below are met.






Time Needed for Diagnosis:
1. 600 ms
2. 830 ms
3. 200 ms
4. 200 ms
5. 24 ms
6. 250 ms
7. 200 ms

Malfunction Indicator Light Illumination: Illuminates as soon as a malfunction occurs.