Curiosii for ever!: Car repair manuals for everyone.

Power Window Switch: Testing and Inspection

POWER WINDOW CONTROL SWITCH

INSPECTION

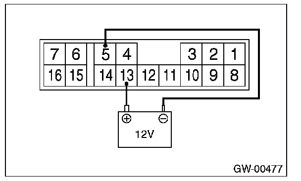
1. MAIN SWITCH
Measure the switch resistance.






NOTE:
- Make sure the battery voltage is applied to the terminal No. 13(+) and 5(-) when measuring resistance, because the main switch is controlled by microcomputer.
- Make sure that the window lock switch is measured in the UNLOCK position.






2. SUB-SWITCH
Measure the switch resistance.






Replace the sub-switch if faulty.