Curiosii for ever!
: Car repair manuals for everyone.
Home
>>
Subaru
>>
2008
>>
Outback Sport F4-2.5L SOHC
>>
Repair and Diagnosis
>>
Heating and Air Conditioning
>>
Ambient Temperature Sensor / Switch HVAC
>>
Testing and Inspection
>>
Ambient Sensor (Auto A/C Model)
Ambient Sensor (Auto A/C Model)
AMBIENT SENSOR
INSPECTION
TROUBLE SYMPTOM
-
Fan speed is not switched when the fan speed control dial is in AUTO position.
-
Failure related to the ambient sensor is indicated in self-diagnosis.
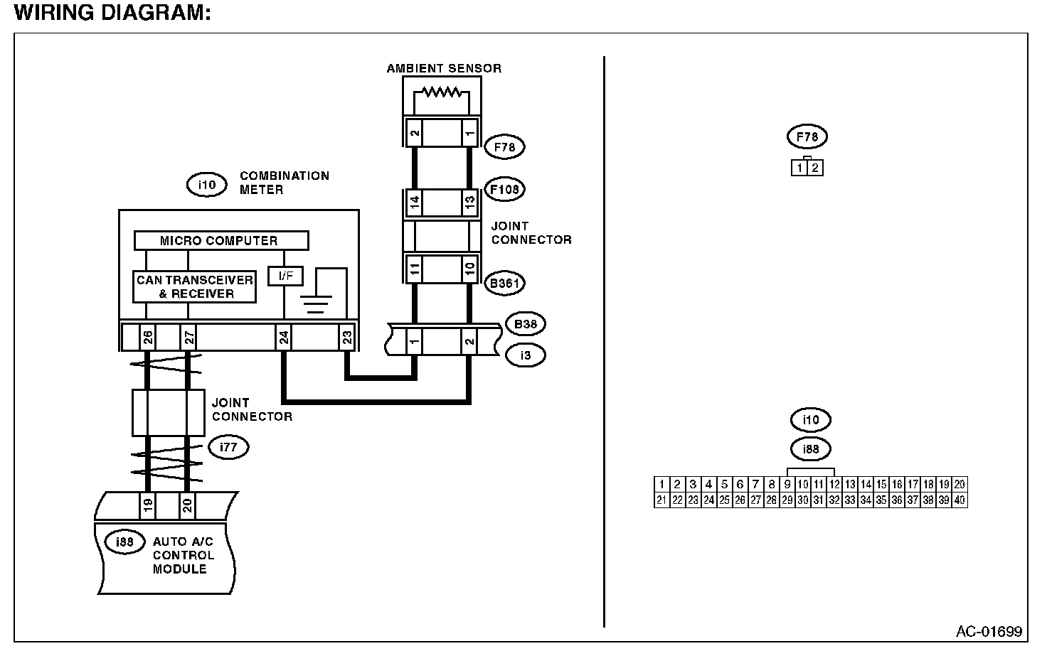
WIRING DIAGRAM
Wiring Diagram:
Step 1-2:
Step 3-8: