Curiosii for ever!: Car repair manuals for everyone.

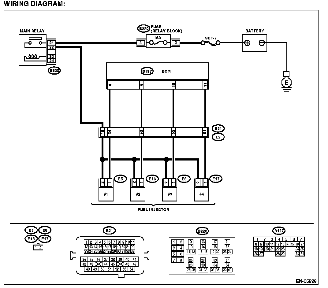
Fuel Injector Circuit

FUEL INJECTOR CIRCUIT

CAUTION:
- Check or repair only faulty parts.
- After repair or replacement of faulty parts, perform Clear Memory Mode Clear Memory Modeand Inspection Mode
Preparation For the Inspection Mode - Using a Scan Tool

Wiring Diagram:






Step 1-6: