Curiosii for ever!: Car repair manuals for everyone.

Computers and Control Systems: Locations

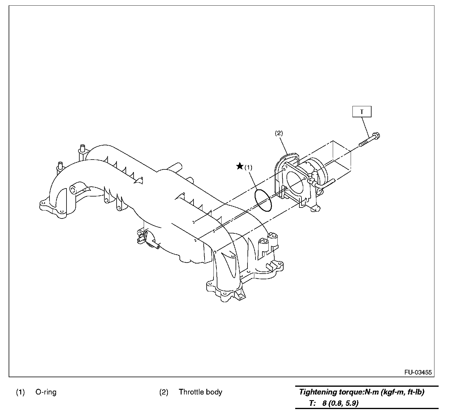
AIR INTAKE SYSTEM

Air Intake System:






CRANKSHAFT POSITION, CAMSHAFT POSITION AND KNOCK SENSORS

Crankshaft Position, Camshaft Position And Knock Sensors:






ENGINE Control module

Engine - Control Module:






Sensor

Sensor (Part 1):




Sensor (Part 2):




Sensor (Part 3):




Sensor (Part 4):






Solenoid valve, actuator, emission control system parts and ignition system parts

Solenoid valve, actuator, emission control system parts and ignition system parts (Part 1):




Solenoid valve, actuator, emission control system parts and ignition system parts (Part 2):




Solenoid valve, actuator, emission control system parts and ignition system parts (Part 3):