Curiosii for ever!
: Car repair manuals for everyone.
Home
>>
Subaru
>>
2008
>>
Impreza WRX F4-2.5L DOHC Turbo
>>
Repair and Diagnosis
>>
Diagrams
>>
Exploded Views
>>
Engine
>>
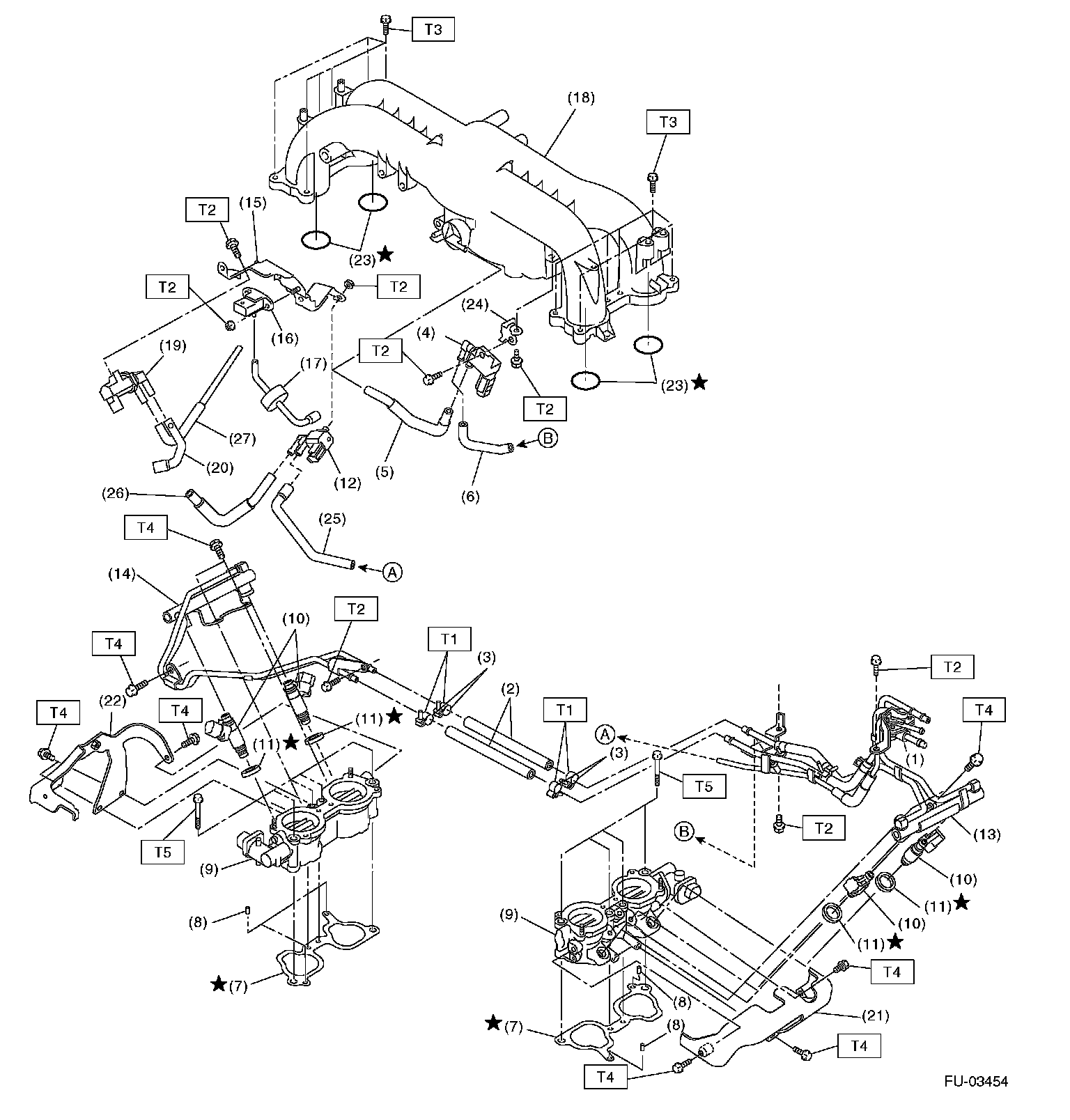
Intake Manifold
Intake Manifold
Intake Manifold (Part 1):
Intake Manifold (Part 2):