Curiosii for ever!
: Car repair manuals for everyone.
Home
>>
Subaru
>>
2008
>>
Forester F4-2.5L SOHC
>>
Repair and Diagnosis
>>
Heating and Air Conditioning
>>
Power Transistor HVAC
>>
Testing and Inspection
Power Transistor HVAC: Testing and Inspection
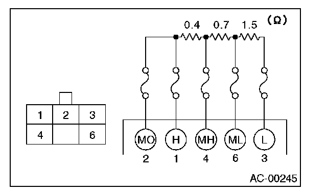
Blower Resistor Manual A/C Model)
INSPECTION
Measure the blower resistor resistance.
If NG, replace the blower resistor.