Curiosii for ever!: Car repair manuals for everyone.

Communication For Initializing Impossible

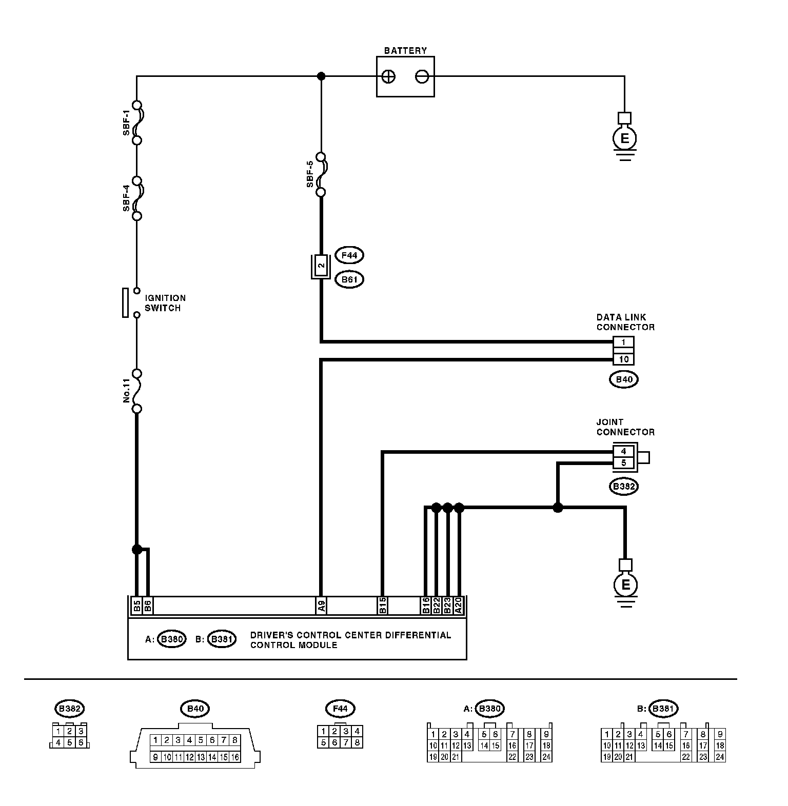
INSPECTION

COMMUNICATION FOR INITIALIZING IMPOSSIBLE

DETECTING CONDITION:
Faulty harness connector.

TROUBLE SYMPTOM:
Communication is impossible between driver's control center differential control module and Subaru Select Monitor.




Step 1 - Step 8:




Step 9 - Step 12: