Curiosii for ever!: Car repair manuals for everyone.

Fuel Injector Circuit

FUEL INJECTOR CIRCUIT

CAUTION:
- Check or repair only faulty parts.
- After repairing or replacing the defective part, perform the Clear Memory Mode Clearing Diagnostic Trouble Codes and Inspection Mode. List of Diagnostic Trouble Code (DTC)

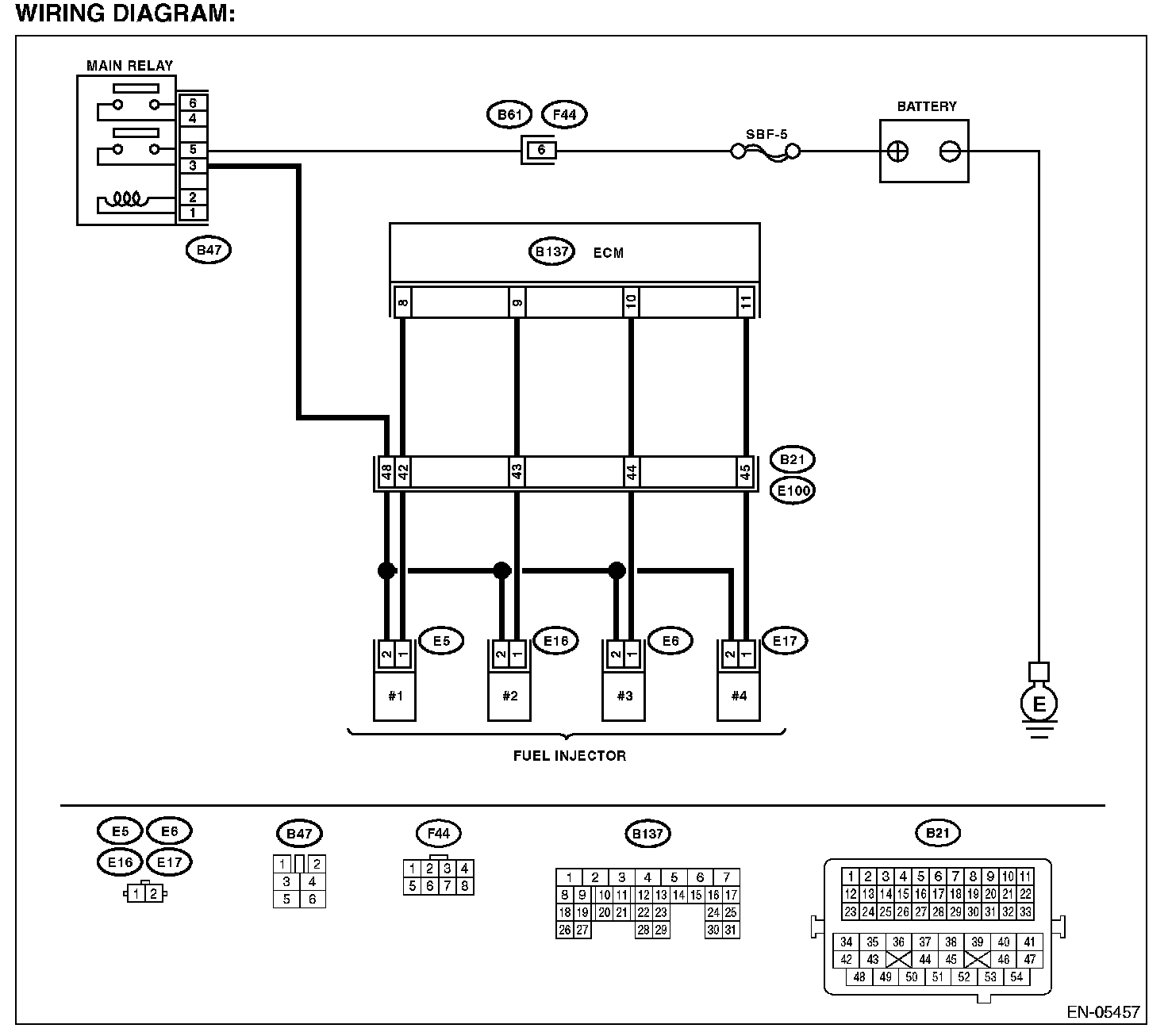
Wiring Diagram:




WIRING DIAGRAM


Step 1-6: