Curiosii for ever!: Car repair manuals for everyone.

Check Power Supply and Ground Line of Engine Control Module (ECM)

CHECK POWER SUPPLY AND GROUND LINE OF ENGINE CONTROL MODULE (ECM)

CAUTION: After repairing or replacing the defective part, perform the Clear Memory Mode Clearing Diagnostic Trouble Codes and Inspection Mode. List of Diagnostic Trouble Code (DTC)

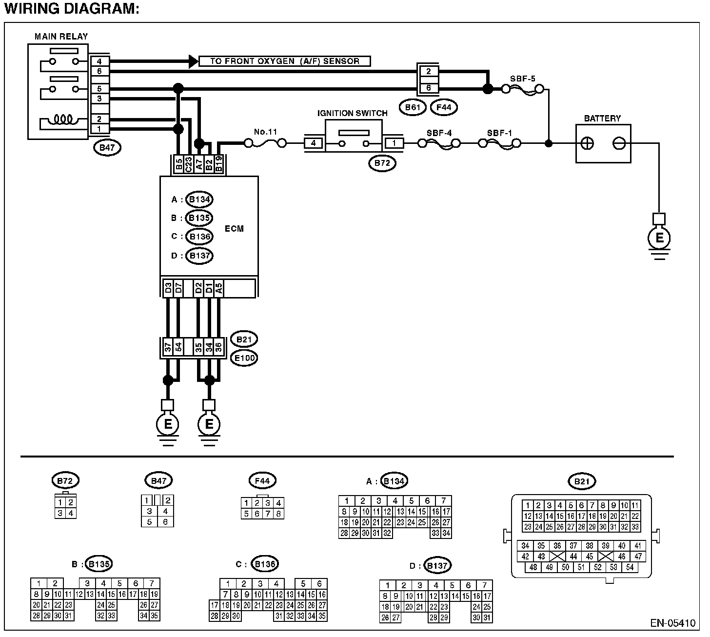
Wiring Diagram:




WIRING DIAGRAM


Step 1-5: