Curiosii for ever!: Car repair manuals for everyone.

Ambient Temperature Sensor / Switch HVAC: Testing and Inspection

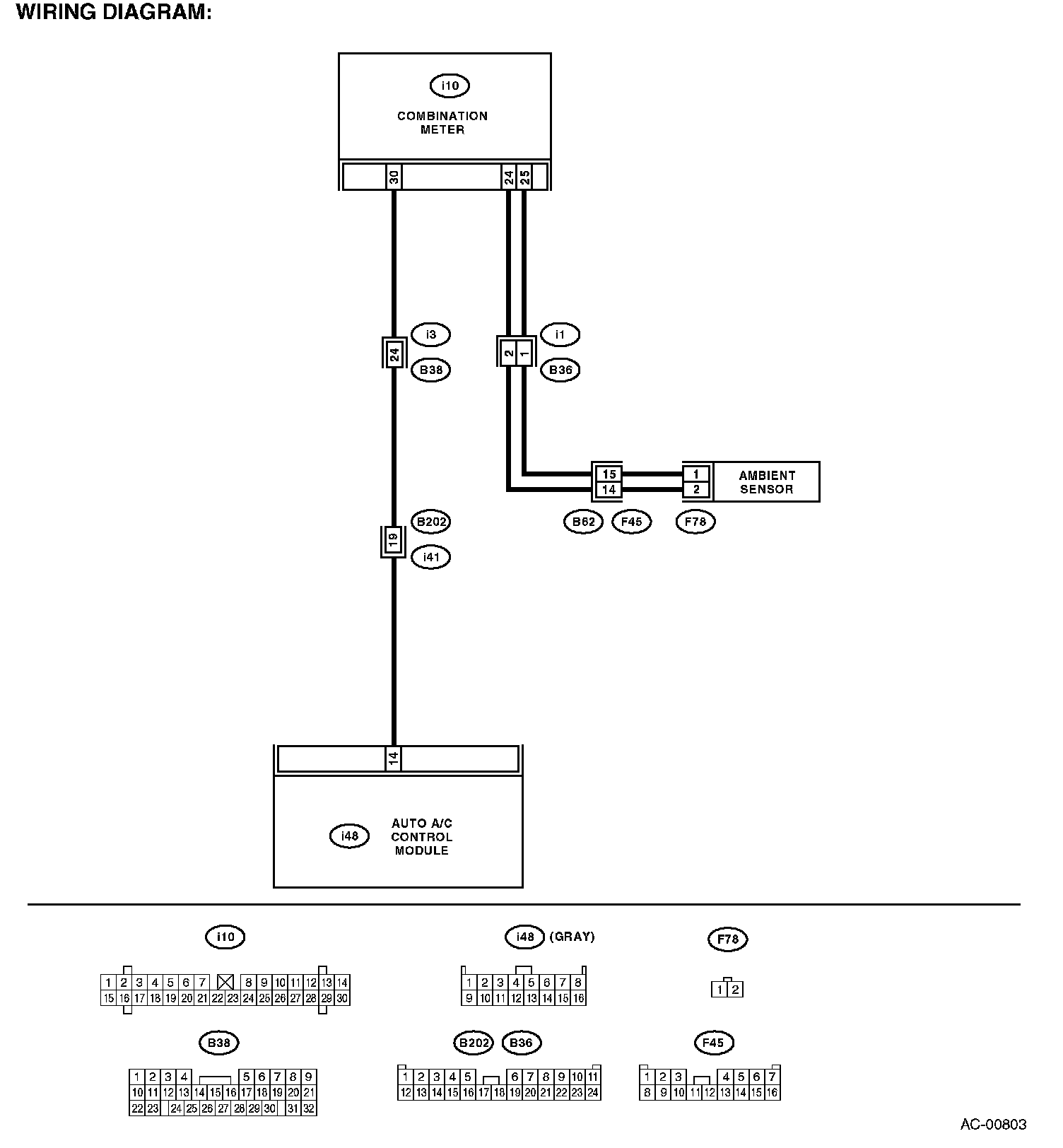
AMBIENT SENSOR

TROUBLE SYMPTOM:
- Fan speed is not switched when the fan speed control dial is in AUTO position.
- Malfunction related to ambient sensor is indicated in self-diagnosis.

Wiring Diagram:




WIRING DIAGRAM:

Step 1 - 3: