Curiosii for ever!: Car repair manuals for everyone.

Front ABS Sensor

INSPECTION
ABS SENSOR
1) Check the pole piece of ABS sensor for foreign particles or damage. If necessary, clean the pole piece or replace ABS sensor.





2) Measure the ABS sensor resistance. If the resistance is outside standard value, replace the ABS sensor with a new one.

NOTE: Check the ABS sensor cable for discontinuity. If necessary, replace with a new one.

SENSOR GAP





1) Measure the distance "A" between ABS sensor surface and sensor pole face.





2) Measure the distance "B" between surface where the front axle housing meets the ABS sensor, and the tone wheel.

NOTE: Measure so that the gauge touches the tone wheel teeth top.

3) Find the gap between the ABS sensor pole face and the surface of the tone wheel teeth by putting the measured values in the formula below and calculating.
ABS sensor clearance = B - A
ABS sensor standard clearance: 0.3 - 0.8 mm (0.012 - 0.031 inch)

NOTE: If the clearance is outside specification, readjust using spacer (Part No. 26755AA000).





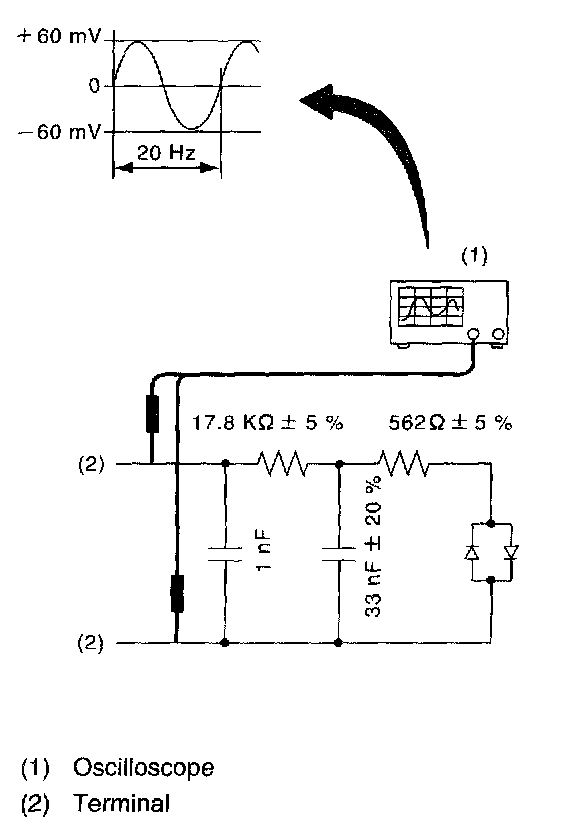
OUTPUT VOLTAGE
Output voltage can be checked by the following method. Install the resistor and condenser, then rotate the wheel about 2.75 km/h (2 MPH) or equivalent.
Output voltage specification: 0.12 to 1 Volts (at 20 Hz)

NOTE: Regarding terminal No., please refer to item ABS SENSOR