Curiosii for ever!
: Car repair manuals for everyone.
Home
>>
Subaru
>>
2007
>>
B9 Tribeca F6-3.0L DOHC
>>
Repair and Diagnosis
>>
Powertrain Management
>>
Transmission Control Systems
>>
Testing and Inspection
>>
Component Tests and General Diagnostics
>>
Communication for Initializing Impossible
Communication for Initializing Impossible
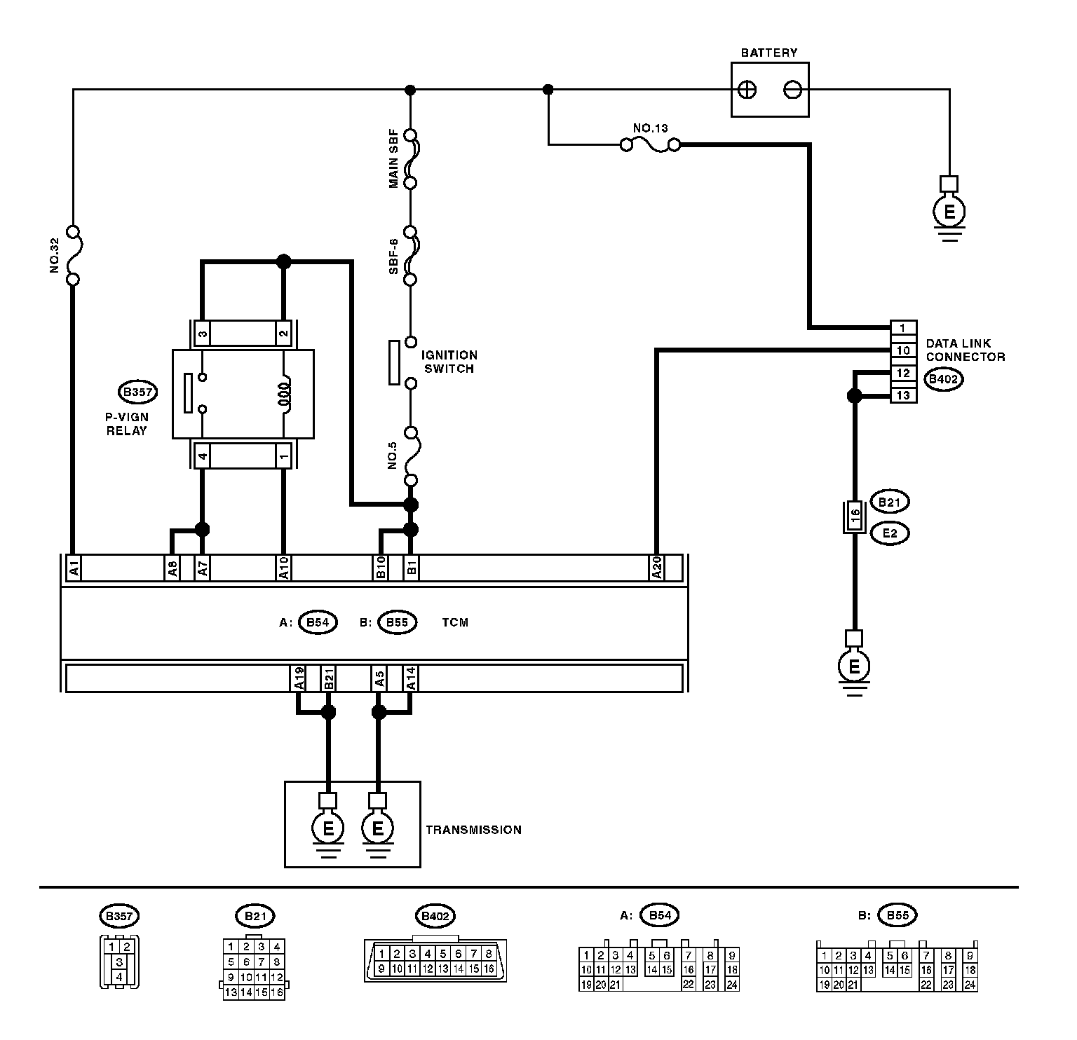
COMMUNICATION FOR INITIALIZING IMPOSSIBLE
DIAGNOSIS:
Defective harness connector
TROUBLE SYMPTOM:
Subaru select Monitor communication failure
WIRING DIAGRAM:
Step 1-Step 9:
Step 10-Step 18: