Curiosii for ever!
: Car repair manuals for everyone.
Home
>>
Subaru
>>
2007
>>
B9 Tribeca F6-3.0L DOHC
>>
Repair and Diagnosis
>>
Powertrain Management
>>
Transmission Control Systems
>>
Testing and Inspection
>>
Component Tests and General Diagnostics
>>
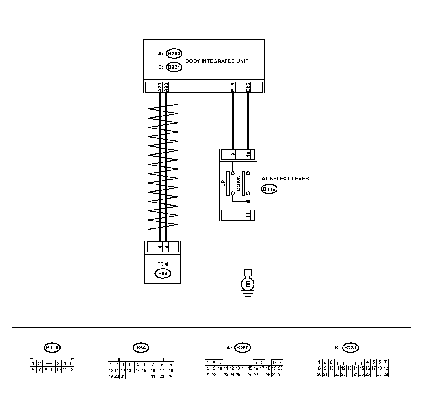
Check Up/Down Switch
Check Up/Down Switch
CHECK UP/DOWN SWITCH
DIAGNOSIS:
Input signal circuit of the UP/DOWN switch is open or shorted.
TROUBLE SYMPTOM:
Does not shift on manual mode.
WIRING DIAGRAM:
Step 1-Step 8:
Step 9-Step 16:
Step 17-Step 20: