Curiosii for ever!: Car repair manuals for everyone.

AT Control System

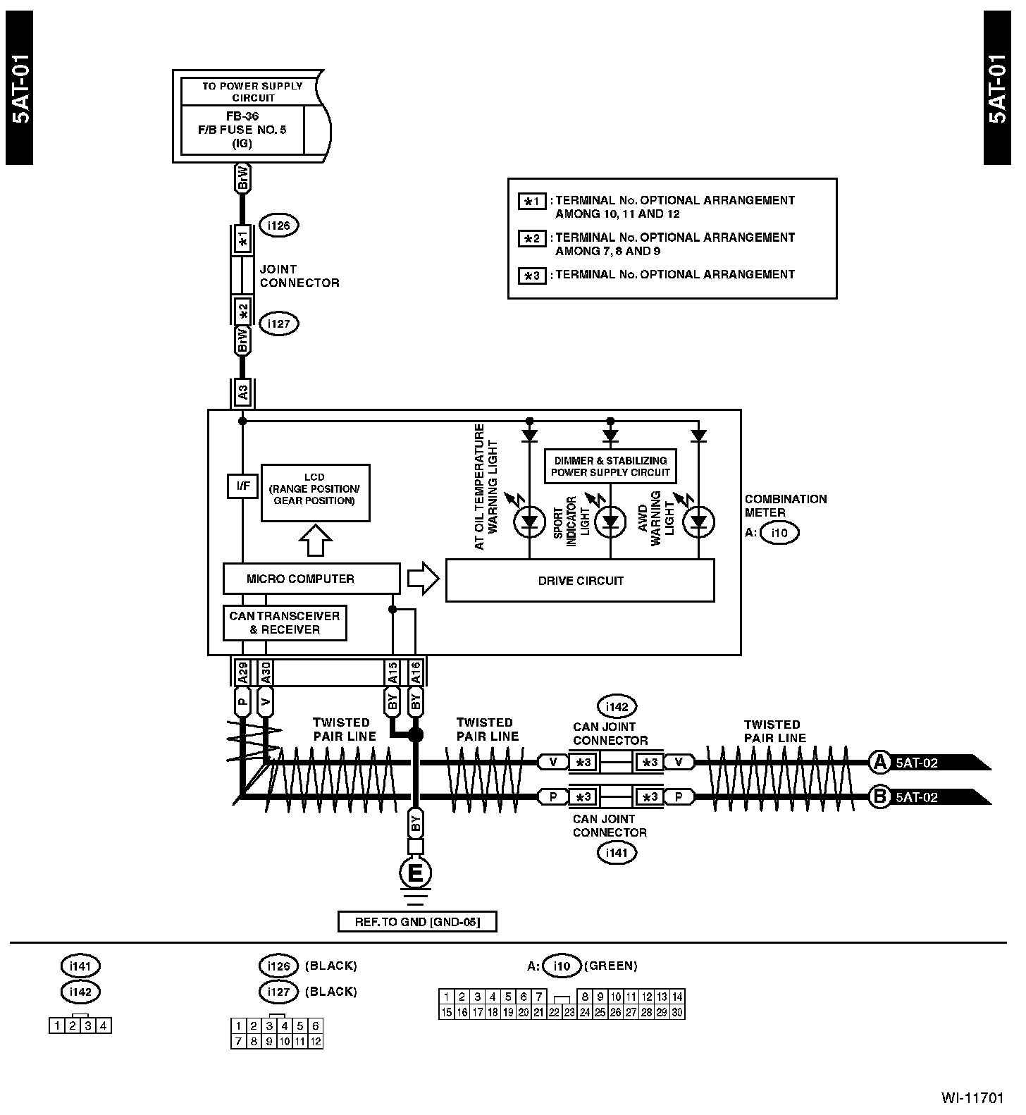
5AT-01:




5AT-02:




5AT-03:




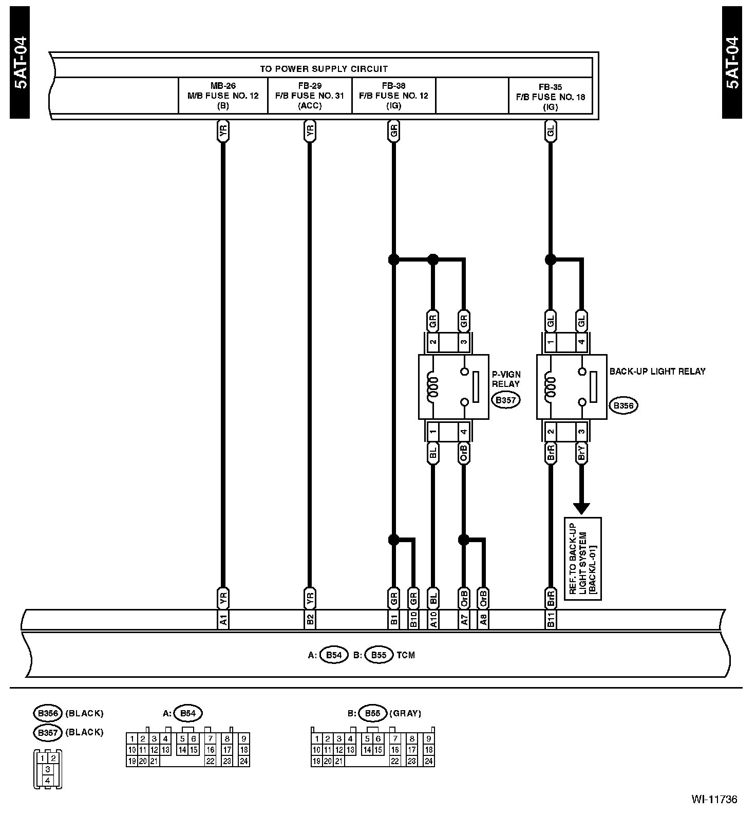
5AT-04:




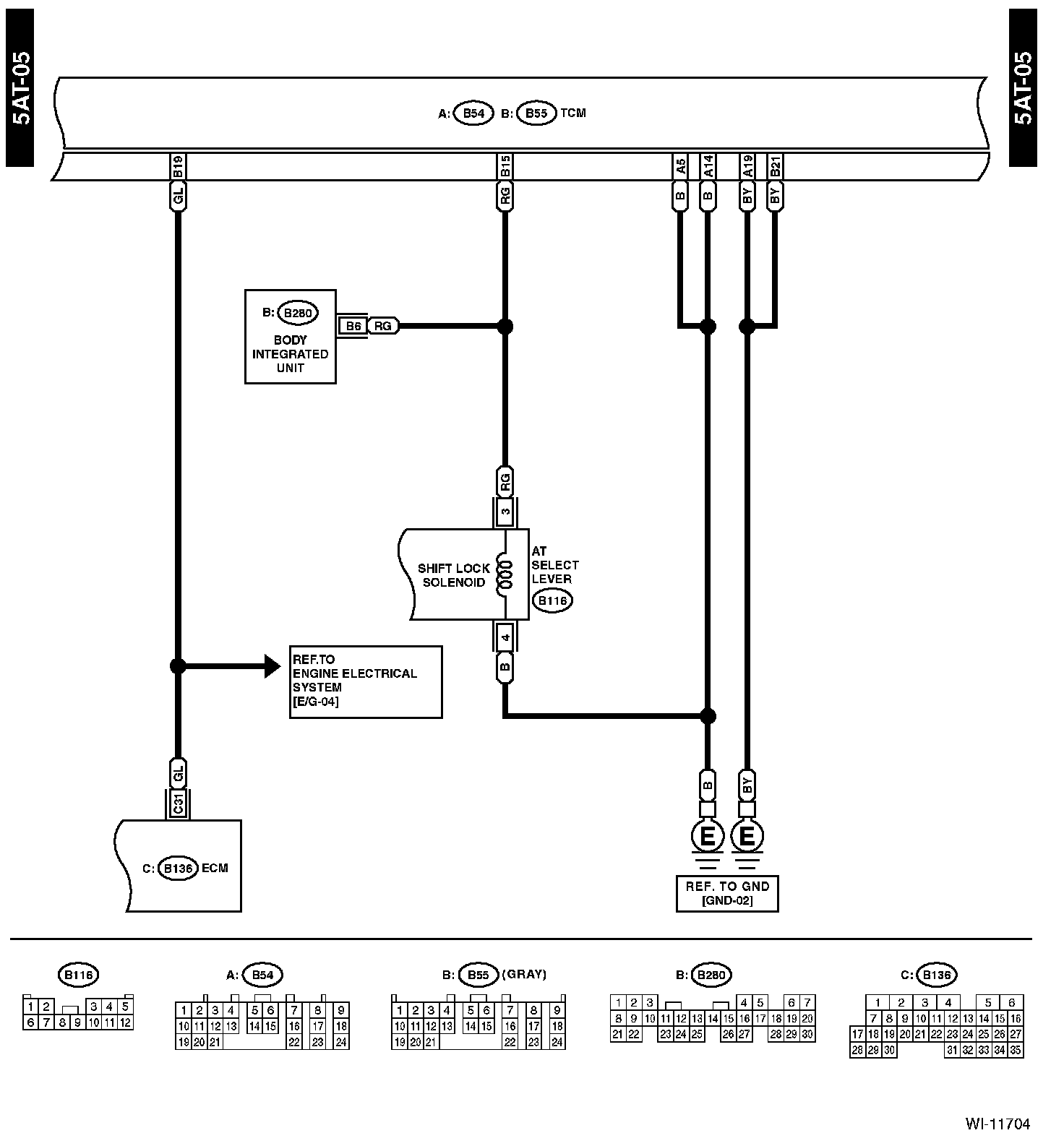
5AT-05:




5AT-06:






Diagrams: Other diagrams referred to by name within these diagrams (i.e. "REF. TO GND-01", etc) can be found at Diagrams by Diagram Name. Diagrams By Diagram Name

Connector and Ground Locations: The locations of the Connectors or Grounds shown within these diagrams can be found via the connector or ground number at Vehicle Locations. Locations