Curiosii for ever!
: Car repair manuals for everyone.
Home
>>
Subaru
>>
2007
>>
B9 Tribeca F6-3.0L DOHC
>>
Repair and Diagnosis
>>
Powertrain Management
>>
Computers and Control Systems
>>
Testing and Inspection
>>
Symptom Related Diagnostic Procedures
>>
Diagnostics For Engine Starting Failure
>>
Ignition Control System
Ignition Control System
IGNITION CONTROL SYSTEM
CAUTION:
After repair or replacement of faulty parts, perform Clear Memory Mode
Clearing Trouble Codes
and Inspection Mode.
List of Diagnostic Trouble Code (DTC)
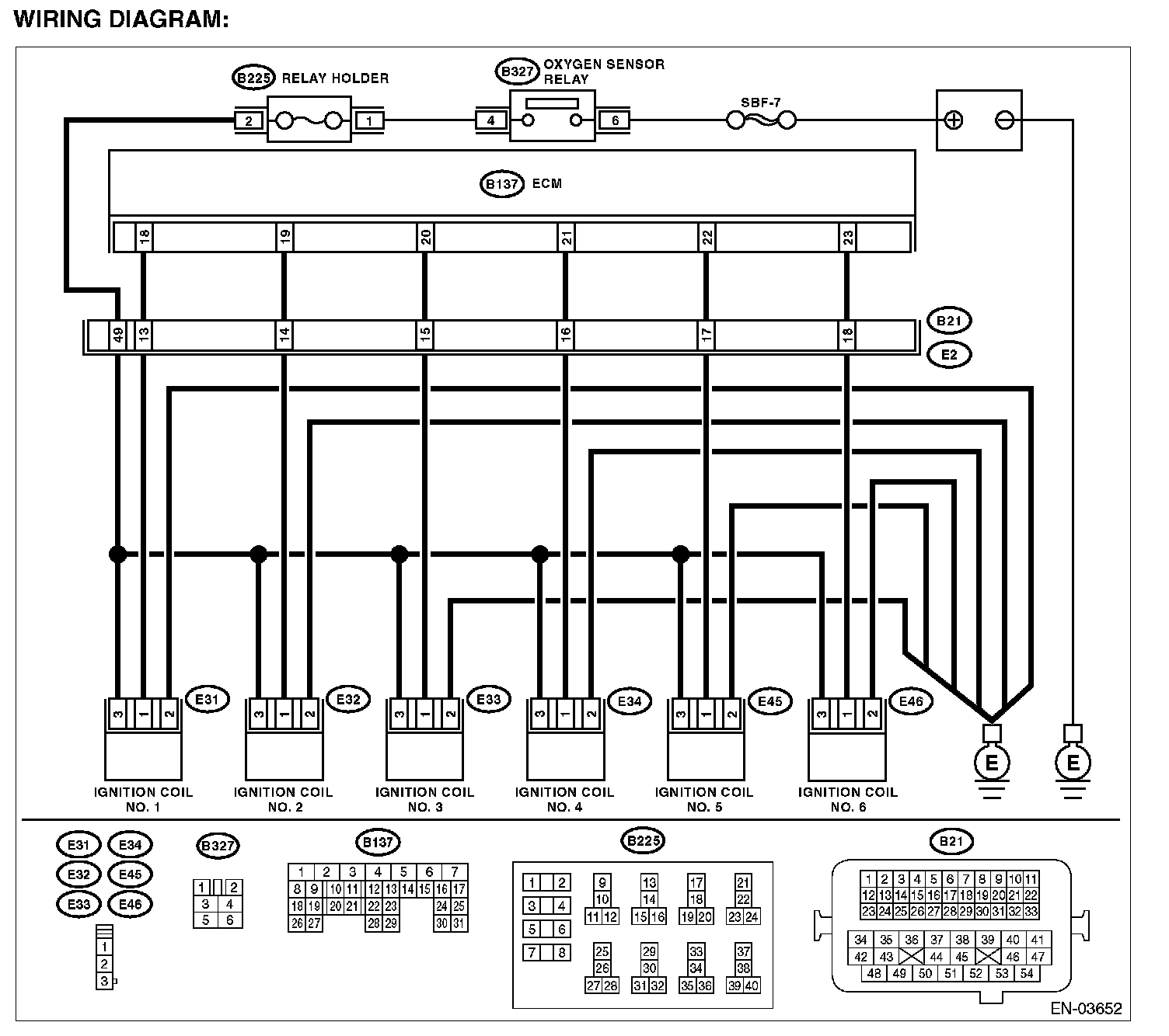
Wiring Diagram:
Step 1 - 4:
Step 5 - 7: