Curiosii for ever!
: Car repair manuals for everyone.
Home
>>
Subaru
>>
2007
>>
B9 Tribeca F6-3.0L DOHC
>>
Repair and Diagnosis
>>
Diagrams
>>
Exploded Views
>>
Engine
>>
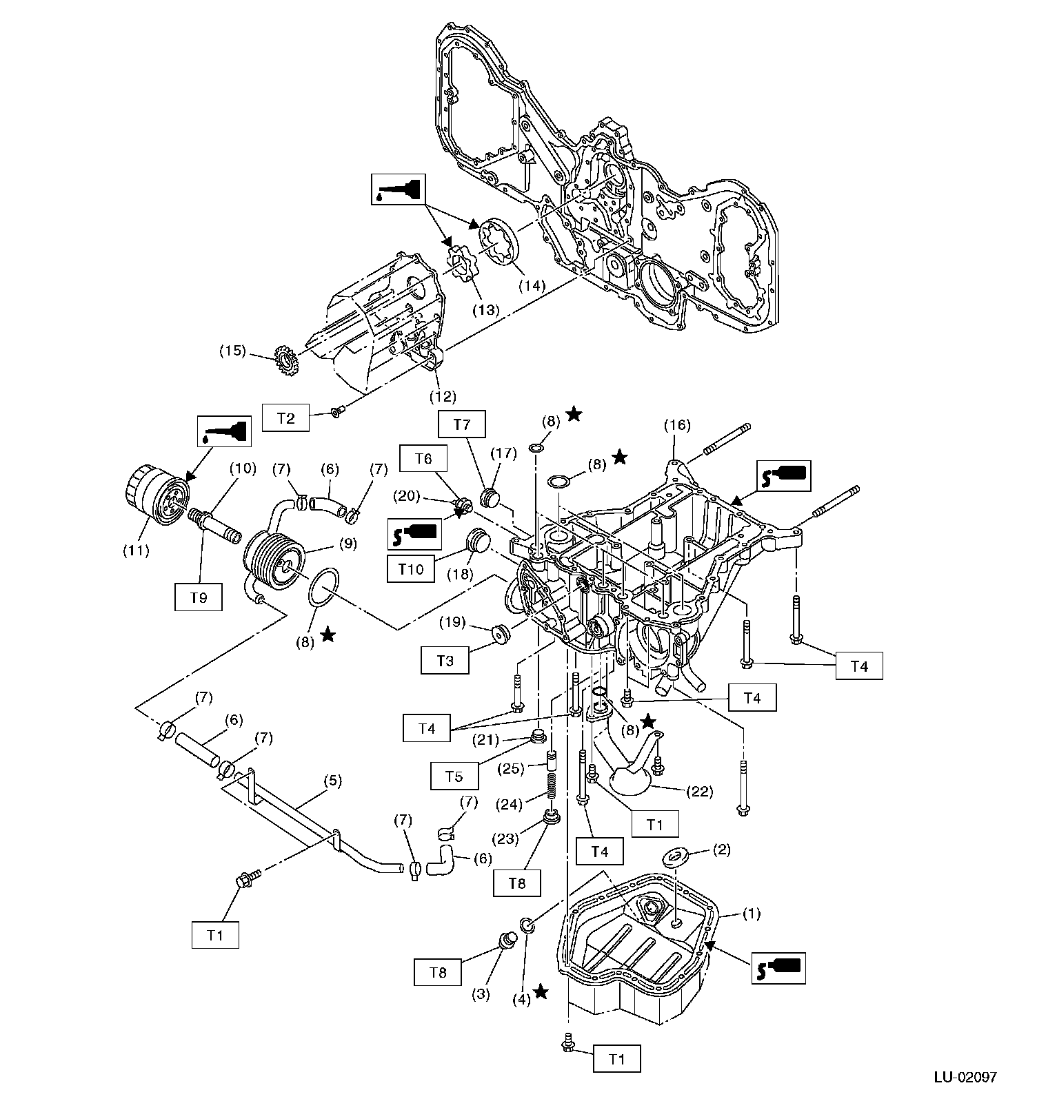
Engine Lubrication
Engine Lubrication
Component (part 1):
Component (part 2):