Curiosii for ever!
: Car repair manuals for everyone.
Home
>>
Subaru
>>
2006
>>
Baja F4-2.5L DOHC Turbo
>>
Repair and Diagnosis
>>
Diagrams
>>
Exploded Views
>>
Engine
>>
System Diagram
System Diagram
TIMING BELT
CYLINDER HEAD AND
CAMSHAFT
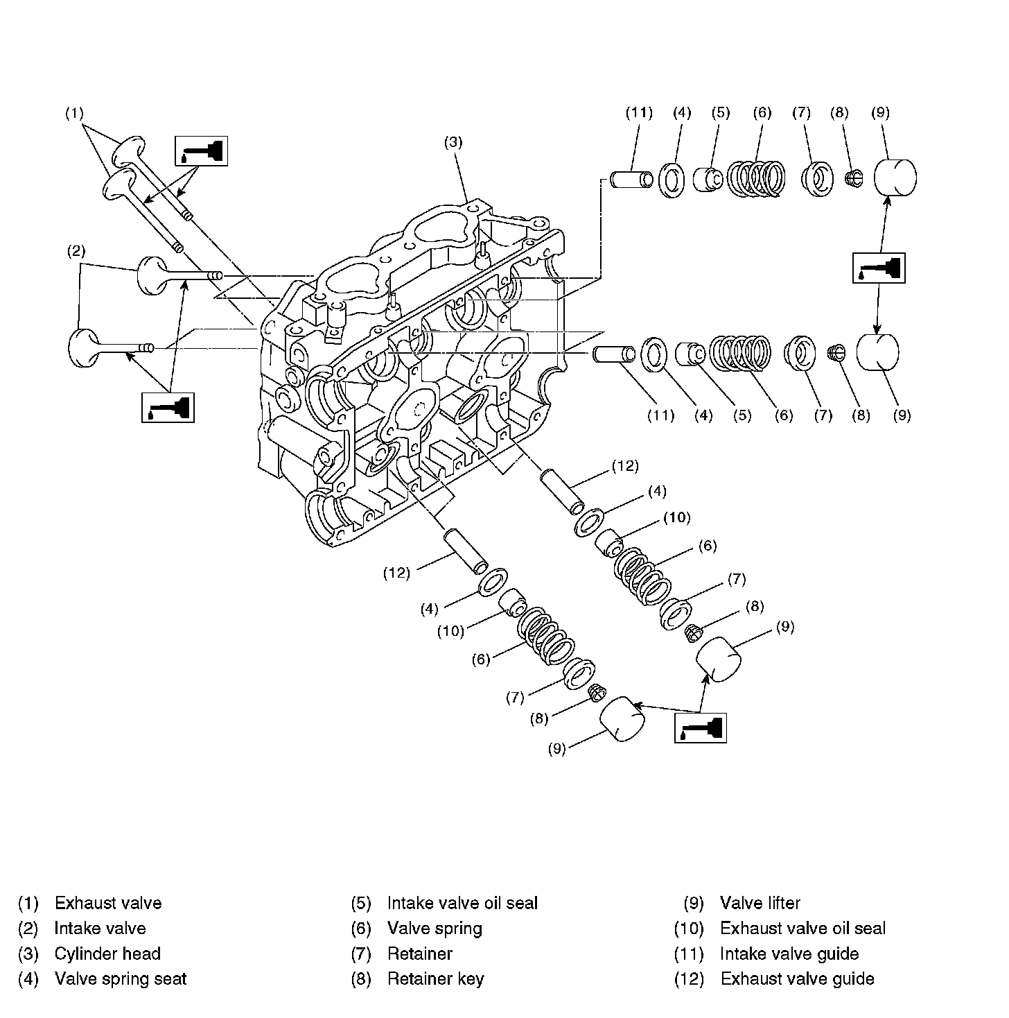
CYLINDER HEAD AND VALVE ASSEMBLY
CYLINDER BLOCK
CRANKSHAFT
AND
PISTON
ENGINE MOUNTING