Curiosii for ever!
: Car repair manuals for everyone.
Home
>>
Subaru
>>
2006
>>
B9 Tribeca F6-3.0L DOHC
>>
Repair and Diagnosis
>>
Powertrain Management
>>
Transmission Control Systems
>>
Diagrams
>>
Electrical Diagrams
>>
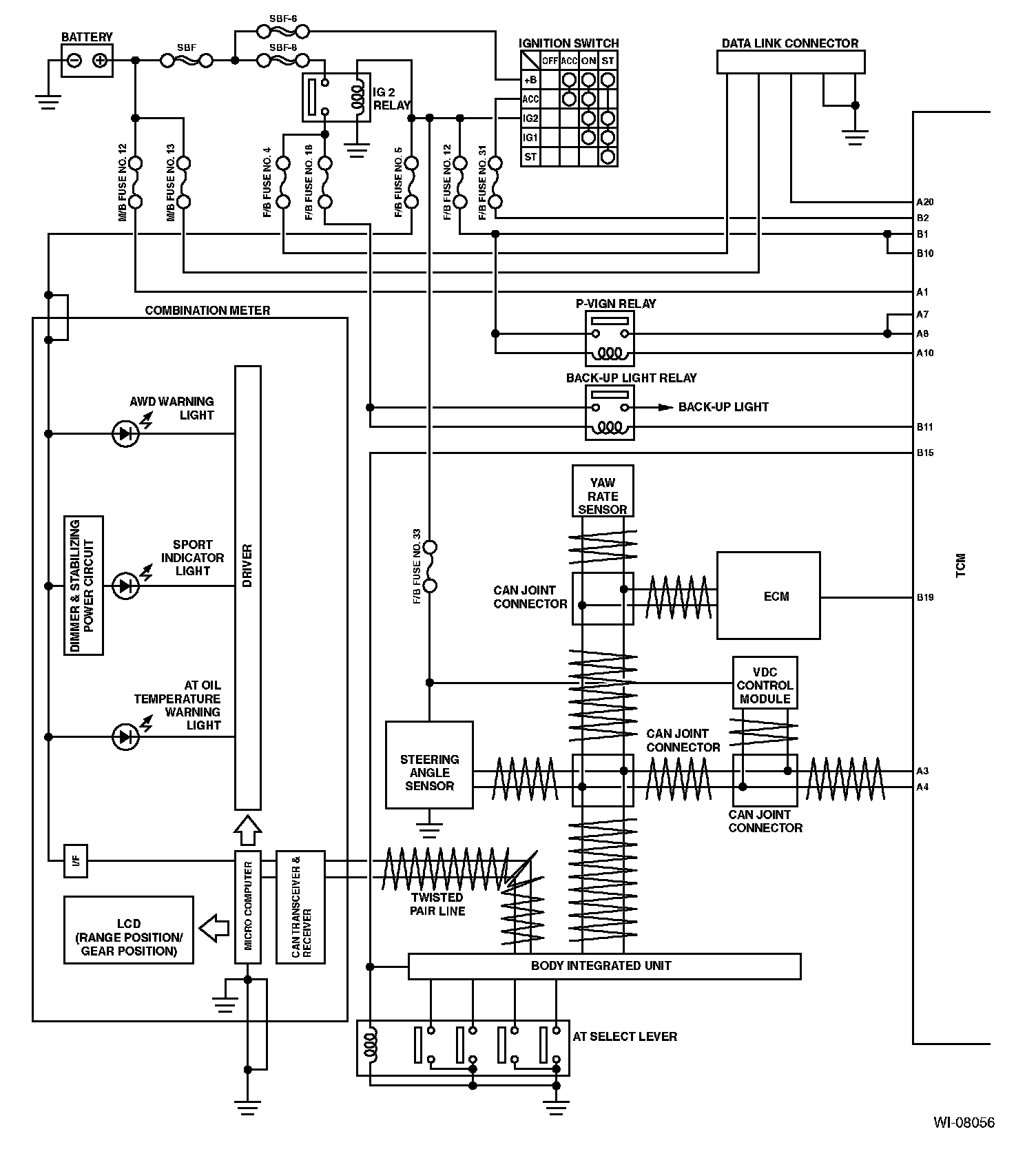
System Overview Schematic
System Overview Schematic
System Overview Schematic Part 1:
System Overview Schematic Part 2: