Curiosii for ever!
: Car repair manuals for everyone.
Home
>>
Subaru
>>
2006
>>
B9 Tribeca F6-3.0L DOHC
>>
Repair and Diagnosis
>>
Diagrams
>>
Exploded Views
>>
Engine
>>
System Diagram
>>
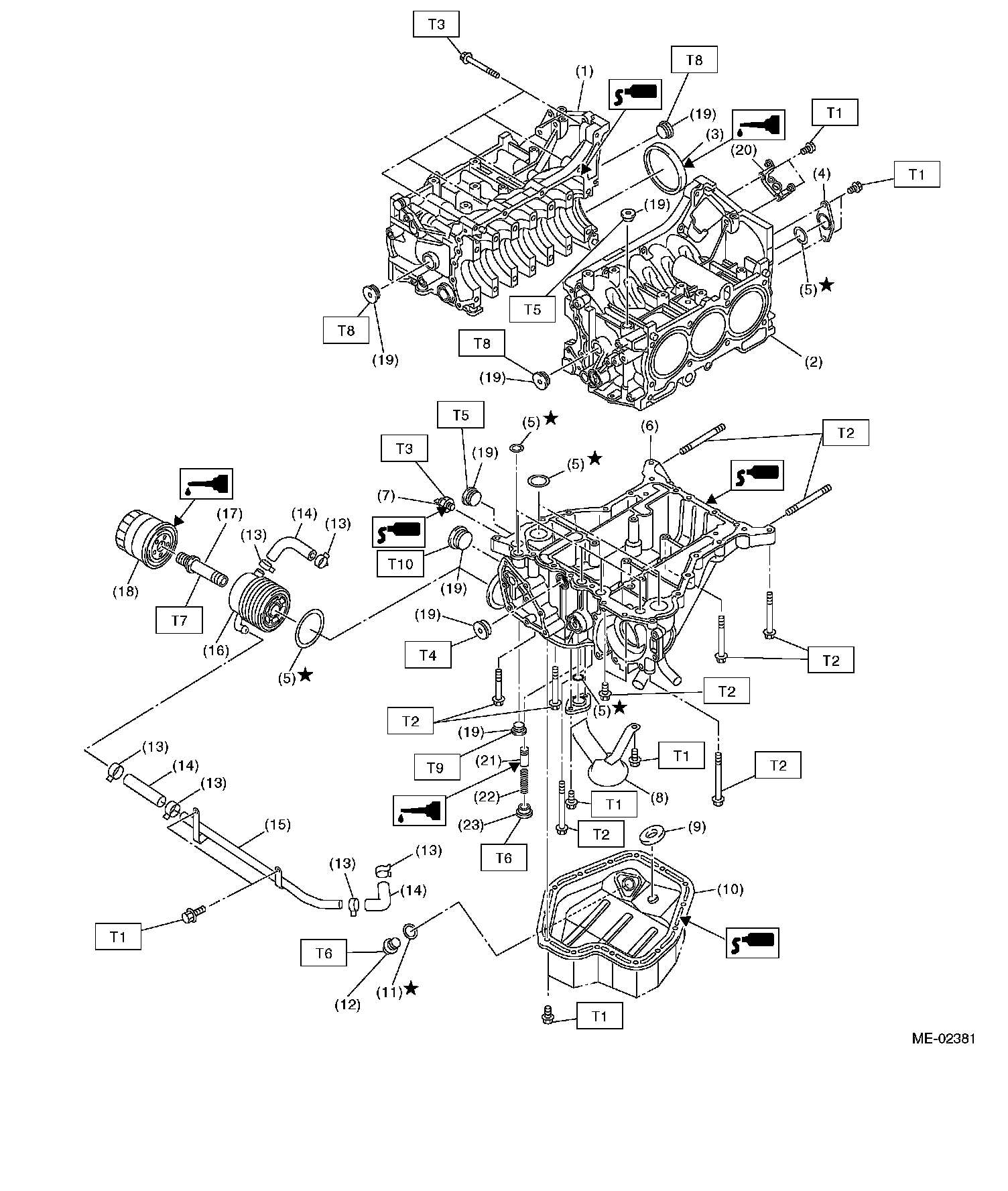
Cylinder Block
Cylinder Block
CYLINDER BLOCK (part 1):
CYLINDER BLOCK (part 2):