Curiosii for ever!
: Car repair manuals for everyone.
Home
>>
Subaru
>>
2005
>>
Outback Sport F4-2.5L SOHC
>>
Repair and Diagnosis
>>
Relays and Modules
>>
Relays and Modules - Restraints and Safety Systems
>>
Air Bag Control Module
>>
Testing and Inspection
>>
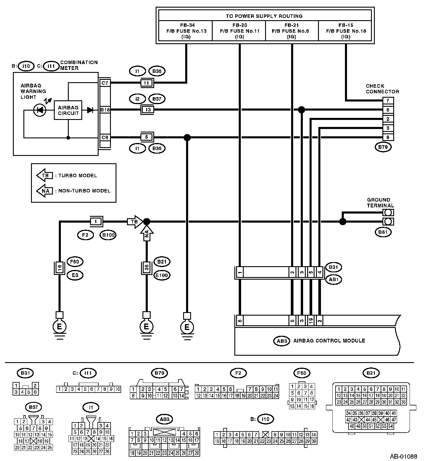
Airbag Control Module I/O Signal
Airbag Control Module I/O Signal
Wiring Diagram:
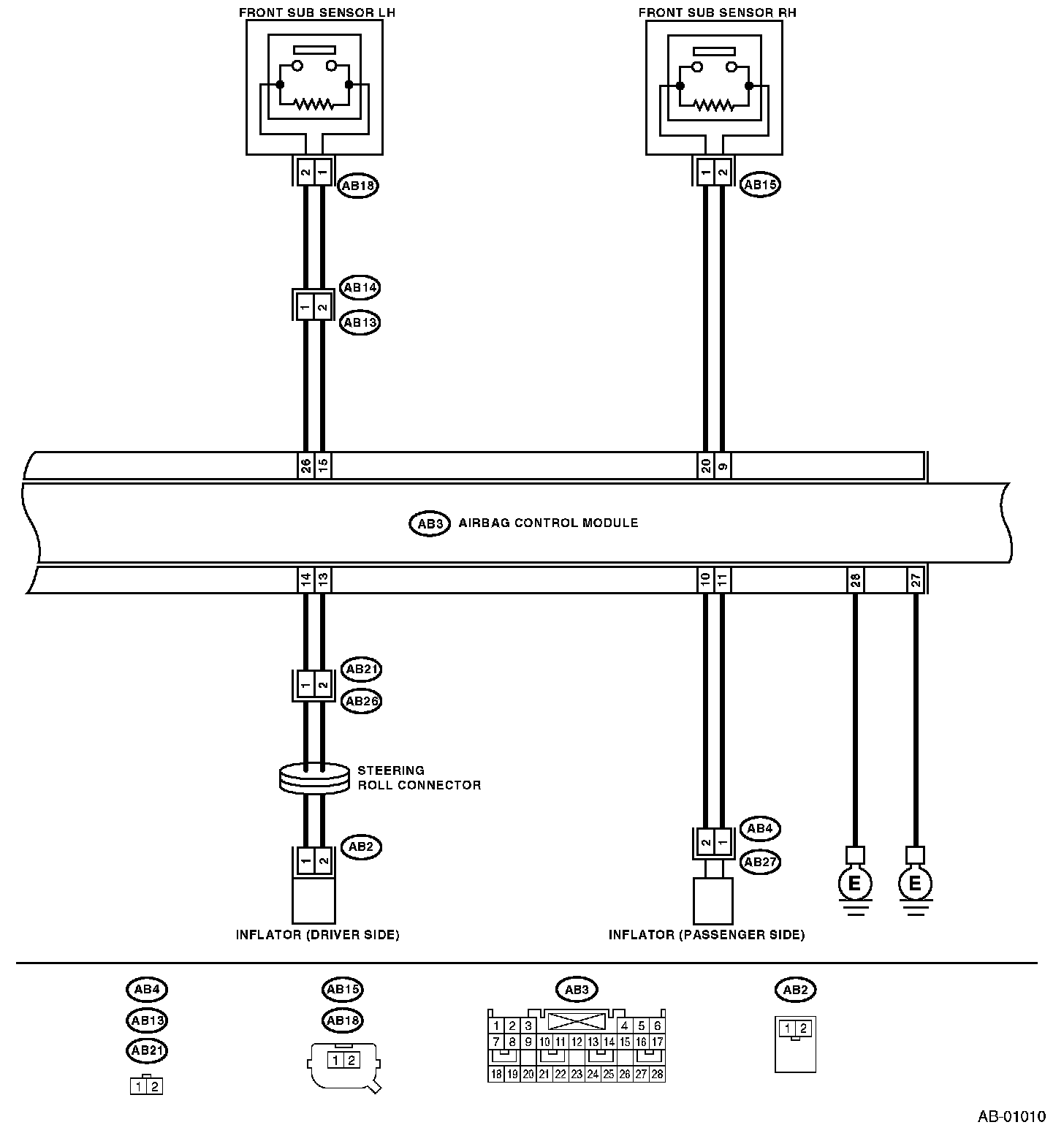
Wiring Diagram:
Wiring Diagram: