Curiosii for ever!: Car repair manuals for everyone.

Scan Tool Testing and Procedures

Subaru Select Monitor

OPERATION

1. READ DIAGNOSTIC TROUBLE CODE (DTC)




1. Prepare the Subaru Select Monitor kit.
2. Connect the diagnosis cable to Subaru Select Monitor.




3. Insert the cartridge to Subaru Select Monitor.
4. Connect the Subaru Select Monitor to data link connector.




1. Data link connector is located in the lower portion of instrument panel (on the driver's side).
2. Connect the diagnosis cable to data link connector.

CAUTION: Do not connect the scan tools except for Subaru Select Monitor.




5. Turn the ignition switch to ON (engine OFF) and Subaru Select Monitor switch to ON.
6. On the "Main Menu" display screen, select the {Each System Check} and press the [YES] key.
7. On the "System Selection Menu" display screen, select the {Occupant Sensing System} and press the [YES] key.
8. Press the [YES] key after the {Occupant Sensing System} is displayed.
9. On the "Occupant Sensing System" display screen, select the {DTC Display} and press the [YES] key.

NOTE:
- For details concerning operation procedure, refer to "SUBARU SELECT MONITOR OPERATION MANUAL".
- For details concerning DTCs, refer to the "List of Diagnostic Trouble Code (DTC)". Occupant Detection System - Diagnostics
- Display all the DTCs detected.
- If a particular DTC is not properly stored in memory (due to a drop in occupant detection control module power supply, etc.) on the occurrence of a problem, the DTC which is suffixed with a question mark appears on the Subaru Select Monitor display. This shows it may be an unreliable reading.

10. If the occupant detection control module cannot communicate with Subaru Select Monitor, check the communication circuit. Initial Inspection
11. When DTC is not displayed, check the meter circuit or select monitor communication circuit. Initial Inspection

2. SENSOR DATA OUTPUT

1. On the �Occupant Sensing System� main menu display screen, select the {Sensor Data Output} and press the [YES] key.

NOTE: Do not touch the vehicle within 20 seconds after pressing the [YES] key. Output value may be changed when sensing the pitching and vibration of the vehicle while reading sensor data output.




2. Sensor output will be displayed in the (*****).
Press the [YES] key to move to the main menu.

3. CLEAR MEMORY MODE

1. Select the {Occupant Sensing System} from the main menu, and press the [YES] key.
2. On the "Occupant Sensing System" display. screen, select the {Clear Memory} and press the [YES] key.
3. When the {Done} is shown on the display, DTCs will be erased.

NOTE: When the {Cannot erase the DTC stored, perform the diagnosis according to trouble symptom} is shown, read the DTC and perform the diagnosis according to DTC.

4. SYSTEM CALIBRATION

CAUTION:
- When a trouble is occurred during the system calibration resulting in interruption of sensor data output, the DTC 28 {Adjustment/Inspection halt} of occupant detection system will be detected to illuminate the airbag warning light.
In this case, perform the system calibration again, or perform the system calibration again after repairing the trouble cause.
- Compartment temperature during the system calibration must be within 0 - 40 degree C.

1. Park the vehicle on a level surface.
2. Unload the cargo and set the vehicle in curb weight condition.
3. Connect the Subaru Select Monitor to vehicle, and then turn the ignition switch to ON.
4. Turn the Subaru Select Monitor switch to ON.
5. On the "Main Menu" display screen, select the {Each System Check} and press the [YES] key.
6. On the "System Selection Menu" display screen, select the {Occupant Sensing System} and press the [YES] key.
7. After the {2005 LOAD CELL TYPE OCCUPANT DETECTION SYSTEM Press the [YES] key} is displayed, check the model year and press the [YES] key.
8. On the {OCCUPANT DETECTION SYSTEM} display screen, select the {1.System Calibration} and press the [YES] key.
9. When the {Complete all calibration checks, illuminated and a trouble code saved. Continue: "YES", Quit: "NO"} is displayed, press the [YES] key.
10. When the {Diagnostic code check No trouble Continue: "YES", Quit: "NO"} is displayed, press the [YES] key.

NOTE: When a DTC is detected, {Diagnostic code check some troubles occur See service manual Press "YES" to END} is displayed. Inspect the DTC, and perform the calibration again after repairing trouble cause.

11. When the {Empty the passenger seat Continue: "YES", Quit: "NO"} is displayed, empty the passenger's seat and press the [YES] key.




12. When the {Adjust the passenger seat to the condition shown in Service manual Continue: "YES", Quit: "NO"} is displayed, slide the passenger's seat to the rear most and lock it securely, and lock the backrest in the fore most securely, then press the [YES] key. (For the model with power seat, operate the slide switch or reclining switch fully until no longer moved.)

NOTE:
- After pressing the [YES] key, "Now processing...Wait for a while. Do not touch or give impact to vehicle and seat" is displayed. Do not touch the vehicle within 20 seconds while the message is displayed.
- When the {System calibration is unsuccessful See service manual Press "YES" to END} is displayed, go to step 19.

13. When the {Threshold adjustment Is successfully completed weight inspection in service manual continue: "YES", Quit: "NO"} is displayed, press the [YES] key.
14. When the {Empty the passenger seat Continue: "YES", Quit: "NO"} is displayed, make sure the passenger's seat is empty and press the [YES] key.
15. When the {Adjust the passenger seat to the condition shown with service manual Continue: "YES", Quit: "NO"} is displayed, check the seat position and press the [YES] key.

NOTE:
- Slide the seat to the rear most position and lock it securely. Lock the backrest securely in the front most position. (For the model with power seat, operate the slide switch or reclining switch fully until no longer moved.)
- Diagnostic trouble code (DTC) is input when selecting the "NO" in this step.
- After pressing the [YES] key, "Now processing...Wait for a while. Do not touch or give impact to vehicle and seat" is displayed. Do not touch the vehicle within 20 seconds while the message is displayed.
- When the {System calibration is unsuccessful See service manual Press "YES" to END} is displayed, go to step 19.

16. {input threshold weight mass lbs) [00.0] Press "YES" After inputting weight mass} is displayed. Input the weight amount (79.1 lbs) and press the [YES] key.

NOTE: When an incorrect weight amount is entered, error will be generated and the DTC will be input.




17. {Put threshold weight with the position on the passenger seat shown with service manual Continue: "YES", Quit: "NO"} is displayed. Check the seat position, assemble the weight A and weight B, and then press the [YES] key.

NOTE:
- DTC is detected when selecting the "NO" in this step.
- Place the weight in the seat center, making sure the firm contact with the backrest.
- Do not touch or give any impact to the vehicle within 20 seconds after pressing the [YES] key.
- When the {System calibration is unsuccessful See service manual Press "YES" to END} is displayed, go to step 19.

18. When the {System calibration Is successfully completed Press "YES" to END} is displayed, press the [YES] key to finish the diagnosis.
19. When the {System calibration is unsuccessful See service manual Press "YES" to END} is displayed, the system is malfunctioning. Turn the ignition switch to OFF once. Read the DTC, repair the trouble cause, and then perform the system calibration again.
Displaying & Reading Trouble Codes
Occupant Detection System - Diagnostics

CAUTION: If the system adjustment fails and stop the operation, DTC {Adjustment/Inspection halt} will be recorded and airbag warning light will illuminate. If the DTC except {Adjustment/Inspection halt} is displayed, calibrate the system after the malfunction is repaired.

INSPECTION

COMMUNICATION FOR INITIALIZING IMPOSSIBLE

DETECTING CONDITION:
Defective harness connector

TROUBLE SYMPTOM:
Communication is impossible between occupant detection control module and Subaru Select Monitor.

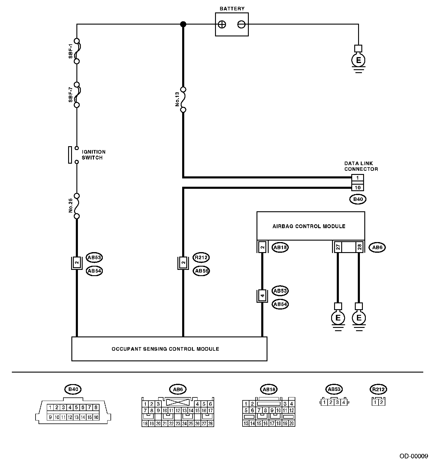
Wiring Diagram:






Step 1 - 9:




Step 10 - 12: