Curiosii for ever!: Car repair manuals for everyone.

P0607

DTC P0607 CONTROL MODULE PERFORMANCE

1. OUTLINE OF DIAGNOSIS
Judge NG when either the following is completed.
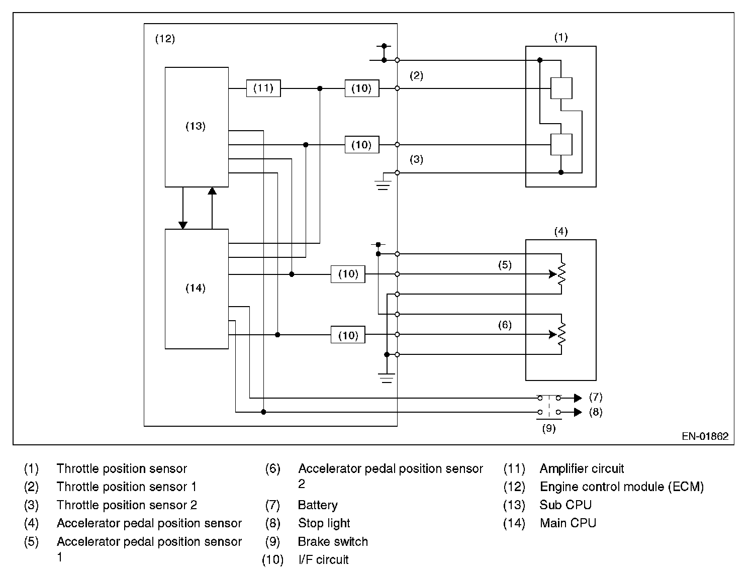
- When the read value of throttle position sensor 1 signal is mismatched between main CPU and sub CPU.
- When the read value of accelerator position sensor 1 signal is mismatched between main CPU and sub CPU.
- When the sub CPU operates abnormally.
- When the communication between main CPU and sub CPU is abnormal.
- When the input amplifier circuit of throttle position sensor 1 is abnormal.
- When the cruise control cannot be canceled correctly.
- When the signal of brake SW1 and 2 is mismatched.
- When the directed angle from main CPU is abnormal.




2. COMPONENT DESCRIPTION




3. ENABLE CONDITION

4. GENERAL DRIVING CYCLE
(1) - (4): Always perform the diagnosis continuously.
(5): Always perform the diagnosis continuously on idling.
(6): Perform the diagnosis when the brake pedal is depressed.
(7): Always perform the diagnosis continuously.
(8): Always perform the diagnosis continuously when the cruise control pedal is not operating.




5. DIAGNOSTIC METHOD
Judge OK and clear NG when the malfunction criteria are completed.

6. DTC CLEAR CONDITION
- When the OK idling cycle was completed 40 times in a row
- When "Clear Memory" was performed

7. MALFUNCTION INDICATOR LIGHT CLEAR CONDITION
- When the OK driving cycle was completed 3 times in a row
- When "Clear Memory" was performed

8. FAIL SAFE
Stop the current to electronic throttle control motor. (Fix the throttle opening angle to 6 degree.)

9. ECM OPERATION AT DTC SETTING
Memorize the freeze frame data. (For test mode $02)