Curiosii for ever!: Car repair manuals for everyone.

Subaru Select Monitor Inspection

Subaru Select Monitor

INSPECTION

COMMUNICATION FOR INITIALIZING IMPOSSIBLE

DETECTING CONDITION:
Faulty harness connector.

TROUBLE SYMPTOM:
Communication is impossible between driver's control center differential control module and Subaru Select Monitor.











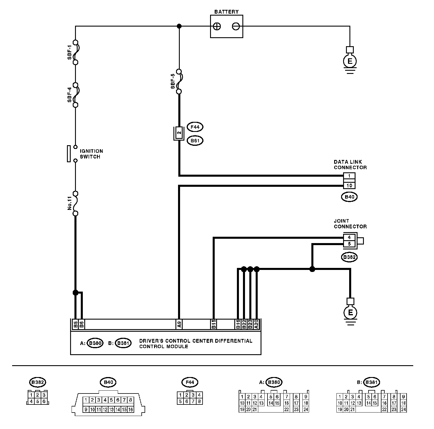
WIRING DIAGRAM