Curiosii for ever!
: Car repair manuals for everyone.
Home
>>
Subaru
>>
2005
>>
Impreza WRX F4-2.0L DOHC Turbo
>>
Repair and Diagnosis
>>
Transmission and Drivetrain
>>
Transmission Control Systems
>>
Testing and Inspection
>>
Pinout Values and Diagnostic Parameters
>>
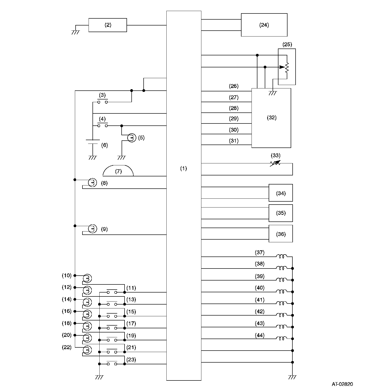
Transmission Control Module (TCM) I/O Signal
Transmission Control Module (TCM) I/O Signal
Transmission Control Module (TCM) I/O Signal
ELECTRICAL SPECIFICATION
WIRING DIAGRAM