Curiosii for ever!
: Car repair manuals for everyone.
Home
>>
Subaru
>>
2005
>>
Impreza WRX F4-2.0L DOHC Turbo
>>
Repair and Diagnosis
>>
Powertrain Management
>>
Transmission Control Systems
>>
Testing and Inspection
>>
Initial Inspection and Diagnostic Overview
>>
Automatic Transmission 4AT
>>
Non-Trouble Code Procedures
>>
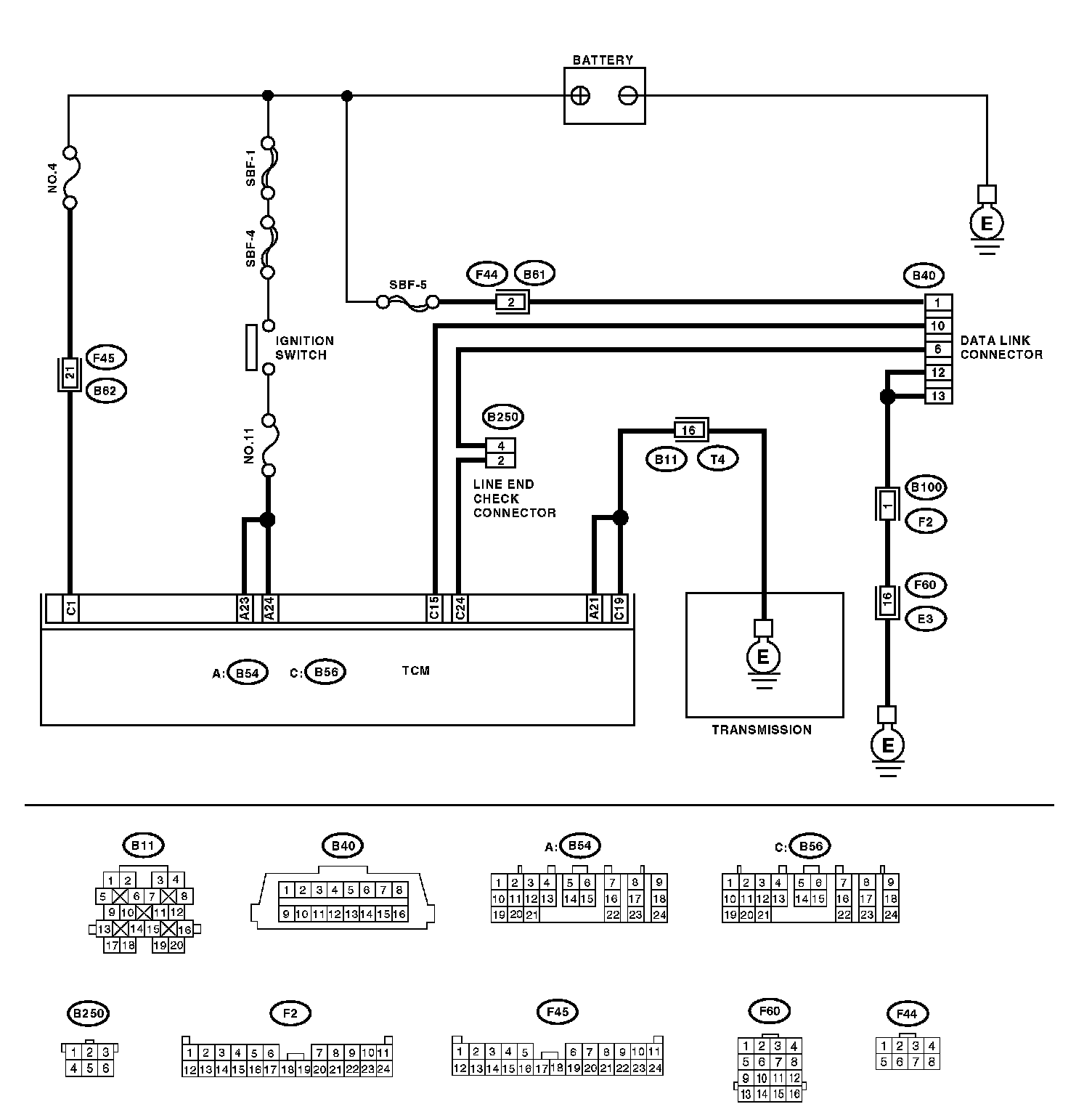
Communication For Initializing Impossible
Communication For Initializing Impossible
COMMUNICATION FOR INITIALIZING IMPOSSIBLE
DIAGNOSIS:
Faulty harness connector
TROUBLE SYMPTOM:
Select monitor communication failure
WIRING DIAGRAM