Curiosii for ever!: Car repair manuals for everyone.

Turbo Model

AT(TB)-01:




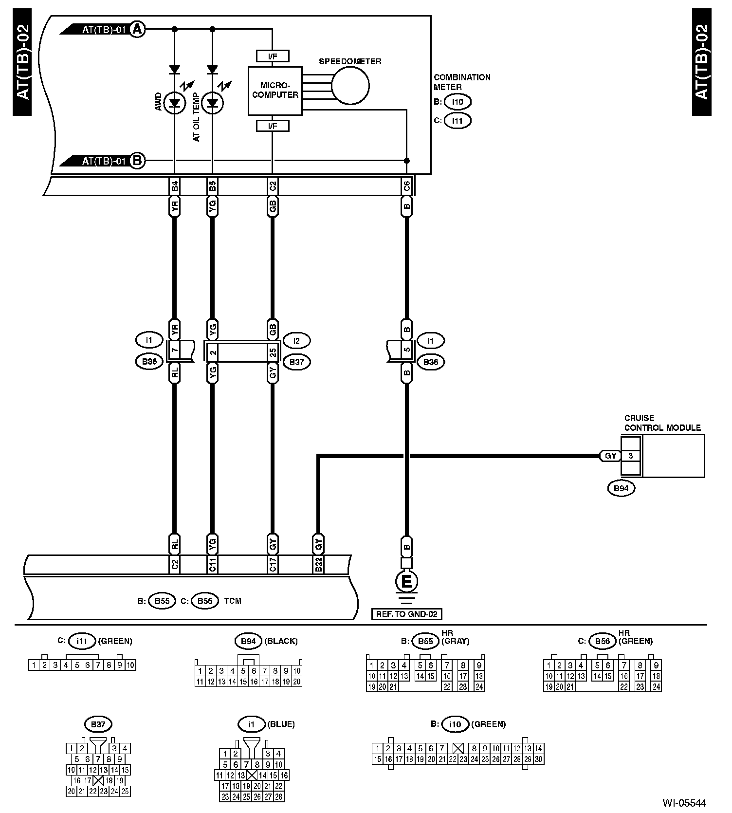
AT(TB)-02:




AT(TB)-03:




AT(TB)-04:




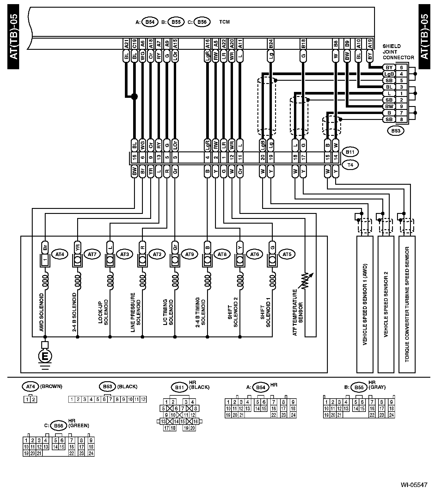
AT(TB)-05:






Diagrams: Other diagrams referred to by name within these diagrams (i.e. "REF. TO GND-01", etc) can be found at Diagrams by Diagram Name. Diagrams By Diagram Name

Connector and Ground Locations: The locations of the Connectors or Grounds shown within these diagrams can be found via the connector or ground number at Vehicle Locations. Locations