Curiosii for ever!
: Car repair manuals for everyone.
Home
>>
Subaru
>>
2005
>>
Impreza WRX F4-2.0L DOHC Turbo
>>
Repair and Diagnosis
>>
Powertrain Management
>>
Transmission Control Systems
>>
Diagrams
>>
Electrical Diagrams
>>
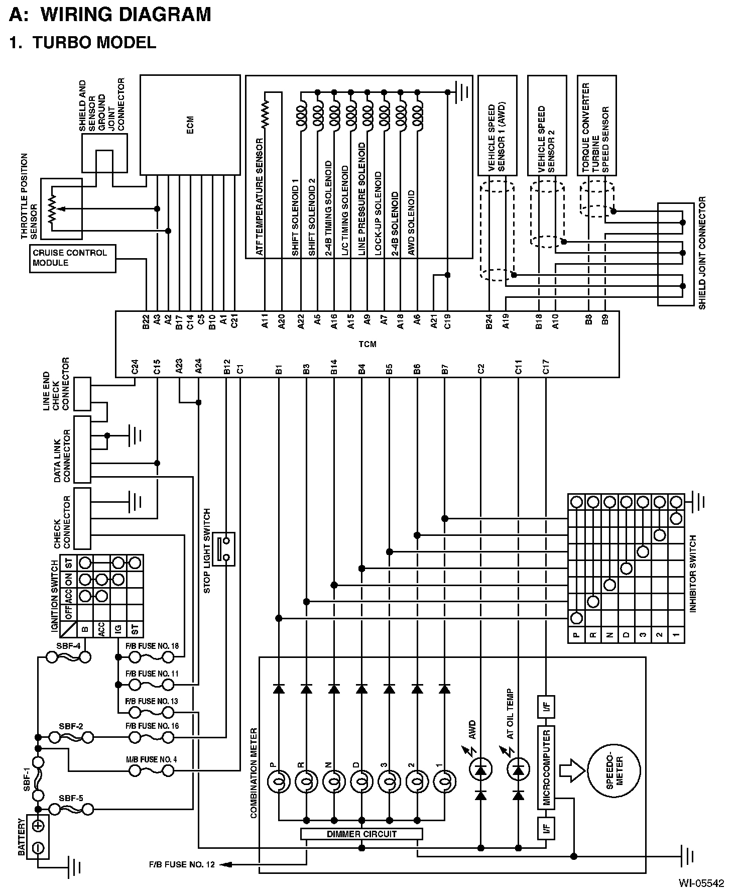
AT Control System
>>
System Overview Schematic
System Overview Schematic
System Overview Schematic: