Curiosii for ever!
: Car repair manuals for everyone.
Home
>>
Subaru
>>
2005
>>
Baja F4-2.5L DOHC Turbo
>>
Repair and Diagnosis
>>
Powertrain Management
>>
Transmission Control Systems
>>
Testing and Inspection
>>
Component Tests and General Diagnostics
>>
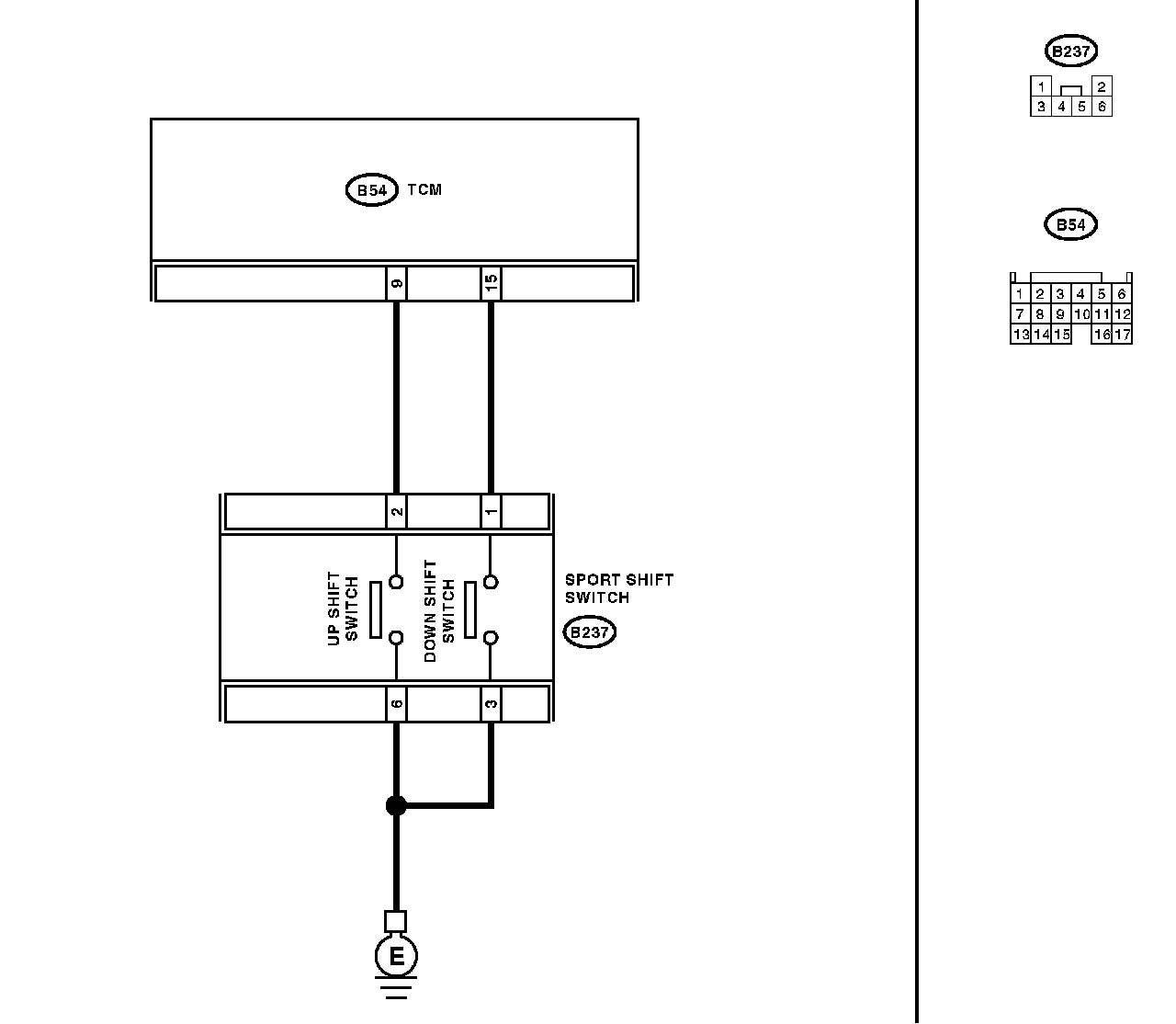
Check Sport Shift Switch
Check Sport Shift Switch
CHECK SPORT SHIFT SWITCH
Steps 1 - 7:
Steps 8 - 15:
Steps 16 - 17:
DIAGNOSIS:
SPORT shift switch input signal circuit is open or shorted.
TROUBLE SYMPTOM:
Does not shift gears in SPORT shift mode.
WIRING DIAGRAM