Curiosii for ever!
: Car repair manuals for everyone.
Home
>>
Subaru
>>
2004
>>
Outback F6-3.0L
>>
Repair and Diagnosis
>>
Engine, Cooling and Exhaust
>>
Engine
>>
Diagrams
Engine: Diagrams
COMPONENT
V-BELT
TIMING CHAIN
COVER
TIMING CHAIN
CYLINDER HEAD AND
CAMSHAFT
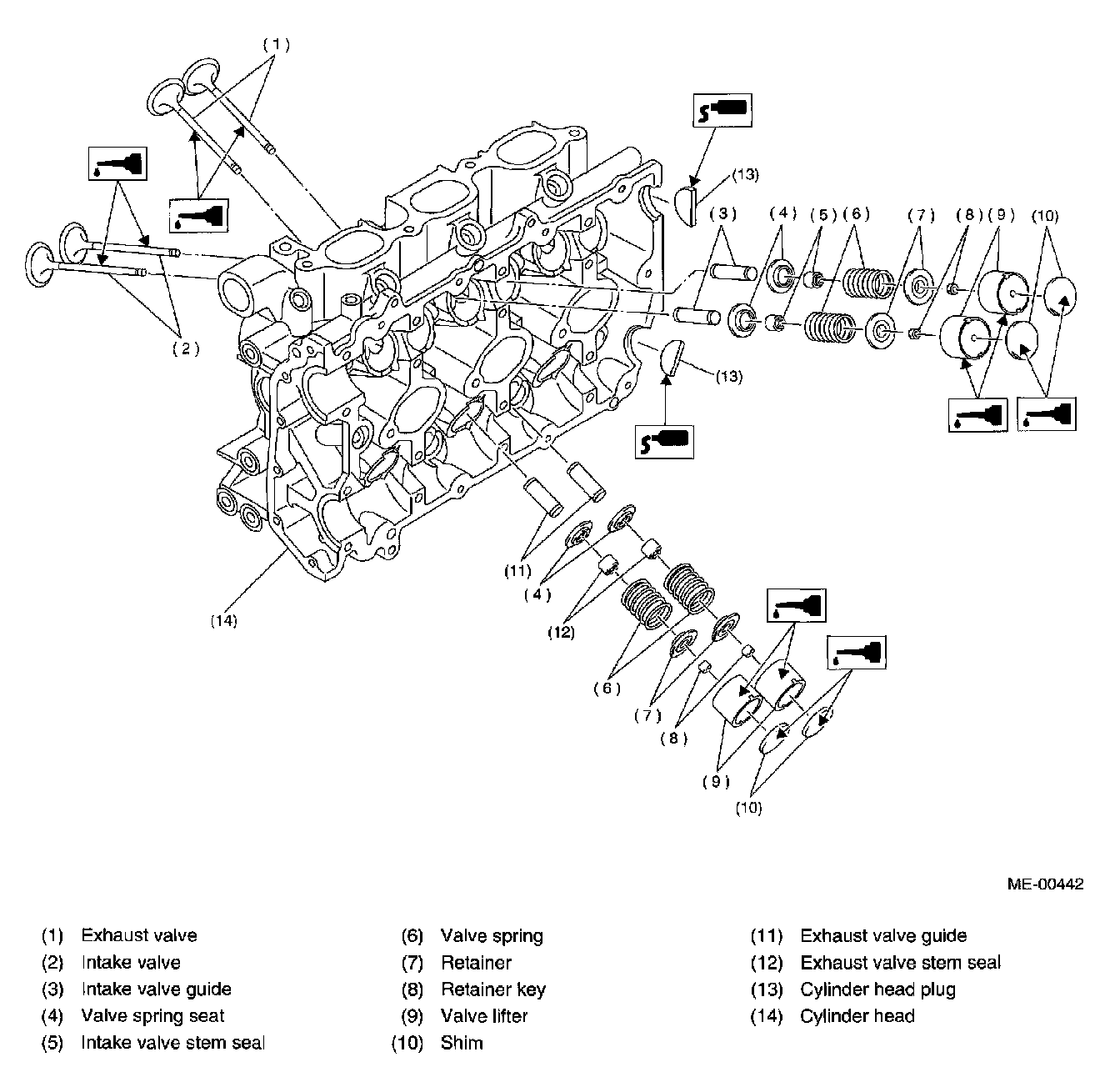
CYLINDER HEAD AND VALVE ASSEMBLY
CYLINDER BLOCK
CRANKSHAFT
AND
PISTON
ENGINE MOUNTING