Curiosii for ever!
: Car repair manuals for everyone.
Home
>>
Subaru
>>
2004
>>
Outback F6-3.0L
>>
Repair and Diagnosis
>>
Diagrams
>>
Electrical Diagrams
>>
Starting System
>>
MT
MT
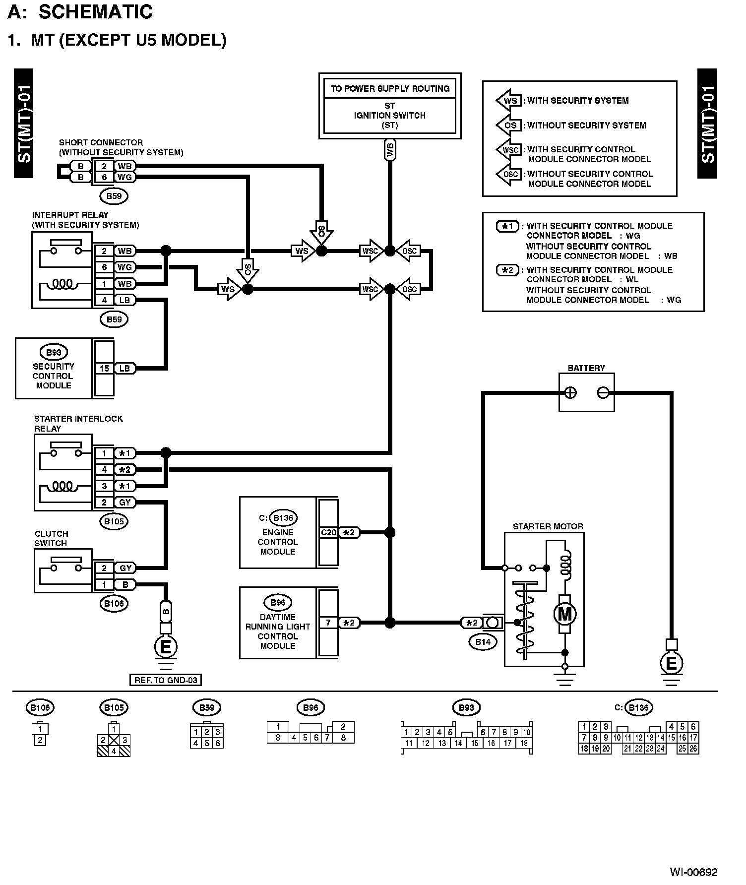
ST(MT)-01:
Diagrams
: Other diagrams referred to by name within these diagrams (i.e. "REF. TO GND-01", etc) can be found at
Diagrams by Diagram Name
.
Diagrams By Diagram Name